© 2008-2012 SeekIC.com Corp.All Rights Reserved.
Published:2011/7/26 2:12:00 Author:Ecco | Keyword: Timing controller | From:SeekIC

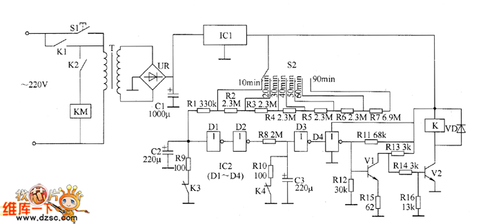
The timing controller circuit is composed of the power regulator circuit, timing time selection circuit, Schmitt trigger circuit and delay control circuit, and it is shown as the chart. Power regulator circuit consists of the start button S1, power transformer T, bridge rectifier UR, filter capacitor C1 and three-terminal voltage regulator integrated circuit IC1. Timing time is composed of selector switch S2, resistors R1 ~ R7. R1 ~ R16 select the 1/4W carbon film resistors. VD chooses the 1N4148 silicon switch diode.
Reprinted Url Of This Article:
http://www.seekic.com/circuit_diagram/Control_Circuit/Time_Control/Timing_controller_circuit_diagram_5.html
Print this Page | Comments | Reading(3)
Response in 12 hours
© 2008-2012 SeekIC.com Corp.All Rights Reserved.
Code: