Published:2009/7/2 1:07:00 Author:May | From:SeekIC

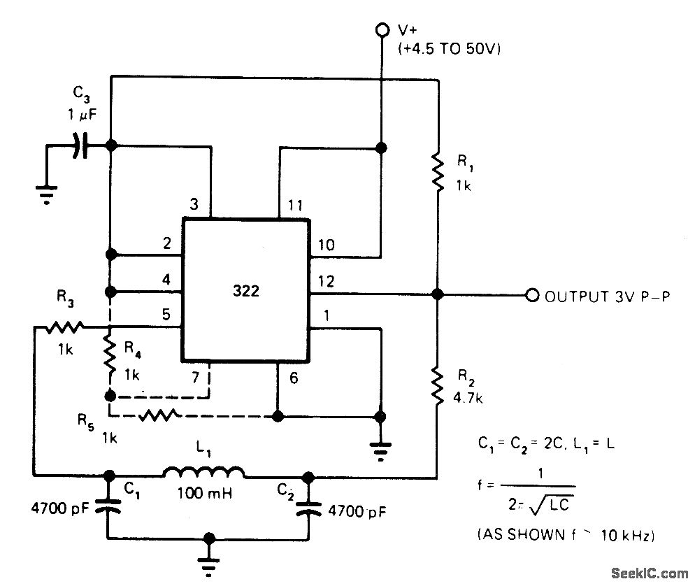
Efficient LC oscillator uses IC timer as inverting comparator, with pinetwork LC tank as resonant circuit. Output square wave is regulated to 3 V in amplitude, independently of supply voltage; upper supply limit should be 40 V instead of value shown. Sine-wave output of oscillator may also be used extemally by adding single-supply opamp as buffer. Values shown give 10 kHz, but upper limit is 100 kHz.-W. G. Jung, Take a Fresh Look at New IC Timer Applications, EDN Magazine, March 20, 1977, p 127-135.
Reprinted Url Of This Article:
http://www.seekic.com/circuit_diagram/Control_Circuit/Time_Control/UP_TO_1OO_kHz_WITH_322_TIMER.html
Print this Page | Comments | Reading(3)
Code: