Published:2011/4/23 1:18:00 Author:Robert | Keyword: Ventilator, Timing | From:SeekIC

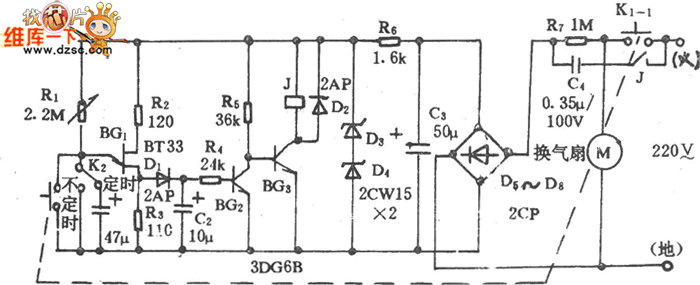
Ventilator Timing Circuit is shown below:
Reprinted Url Of This Article:
http://www.seekic.com/circuit_diagram/Control_Circuit/Time_Control/Ventilator_Timing_Circuit.html
Print this Page | Comments | Reading(3)
Code: