Position: Home > Circuit Diagram > Control Circuit > Index 267
Low Cost Custom Prototype PCB Manufacturer

Control Circuit

Index 267



Delphi electronic control system circuit diagram

Published:2011/5/13 2:10:00 Author:Ecco | Keyword: Delphi , electronic control system

Delphi electronic control system circuit diagram
  (View)

View full Circuit Diagram | Comments | Reading(1008)

Sony KV-25G protection circuit

Published:2011/5/12 20:27:00 Author:TaoXi | Keyword: Sony, protection circuit


Sony KV-25G protection circuit   (View)

View full Circuit Diagram | Comments | Reading(451)

Low cost temperature controller circuit

Published:2011/5/12 20:40:00 Author:TaoXi | Keyword: Low cost, temperature controller


Low cost temperature controller circuit   (View)

View full Circuit Diagram | Comments | Reading(531)

Greenhouse temperature and humidity automatic controller circuit

Published:2011/5/12 20:50:00 Author:TaoXi | Keyword: Greenhouse, temperature, humidity, automatic controller


Greenhouse temperature and humidity automatic controller circuit   (View)

View full Circuit Diagram | Comments | Reading(685)

Over-temperature monitoring warning circuit diagram

Published:2011/5/12 1:23:00 Author:Rebekka | Keyword: Over-temperature monitoring warning

Over-temperature monitoring warning circuit diagram
Over-temperature monitoring warning(LM35、LM741) circuit diagram is shown as above. The over-temperature monitoring alarm circuit uses the integrated circuit temperature sensor as temperature measurement device. It only sets a maximum limiting temperature control points. When the temperature exceeds the limit temperature, the alert sounds, prompting the user to pay attention. The parts of the circuit is shown in the figure. It is composed of the temperature detector, over-temperature monitoring circuit, warning sound occurs and the output circuit.   (View)

View full Circuit Diagram | Comments | Reading(1600)

Induction heating automatic control circuit diagram

Published:2011/5/12 20:04:00 Author:Rebekka | Keyword: Automatic control, Induction heating

Induction heating automatic control circuit diagram
The circuit is mainly made of the specialized chip SM7232. It controls the switching and dimming incandescent lamps by human touch M-point tablets, the maximum load power is 500W.It is better to install the LED near to the touch-chip, so that it can play the role of instruction in the dark. From the human security considerations, it uses two resistors R6 and R7 .   (View)

View full Circuit Diagram | Comments | Reading(3381)

Taper protection circuit diagram

Published:2011/5/12 21:38:00 Author:Nicole | Keyword: Taper protection

Taper protection circuit diagram
  (View)

View full Circuit Diagram | Comments | Reading(506)

Frost Alarm Circuit (2)

Published:2011/5/12 2:19:00 Author:Robert | Keyword: Frost, Alarm

Frost Alarm Circuit (2)
The forst alarm circuit introduced in this example can give the sound and light signal immediately when the frost coming to remind the workers to prepare for anti-frost in time. This device can be widely used in the areas such as agriculture and mining and so on.The circuit's working principle is shown below.This frost alarm circuit is made up by the frost detecting circuit and sound-lignt alarm circuit which is shown in the picture below. The frost detecting circuit is made up by the thermistor RT, resistance R1~R3, potentiometer RP, capacitor C and operational amplifier integrated circuit IC1.The sound-light alarm circuit is made up by resistance R4, R5, transistor V1, V2, alarm alarm indicator lamp HL, sound effect integrated circuit IC2 and speaker BL.When there is no frost, the atmospheric temperature is relatively higher. RT is in low-resistance mode, IC in-phase input port's voltage is higher than the out-phase input port's, and it outputs high voltage level to make V1 and V2 disconnected. So HL does not light and IC2 does not work, BL has no sound.In case of the frost coming, the atmospheric temperature is low and the RT's resistance would rise to make the IC's out-phase input port voltage higer than the in-phase input port's voltage and make its output port's voltage be low voltage level. So V1 and V2 is connected and HL would light, IC2 is electrified to work and BL would have the alarm sound.   (View)

View full Circuit Diagram | Comments | Reading(924)

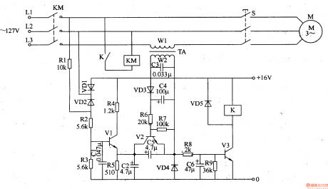
Mine-used electric coal drill safely using electricity controller

Published:2011/5/11 3:59:00 Author:Nicole | Keyword: electric coal drill, safely using electricity, controller

Mine-used electric coal drill safely using electricity controller
This mine-used electric coal drill safely using electricity controller can use electric drill handle switch to conveniently achieve long distance automatic power failure and power transmission, it greatly reduces the cable charging time and increases the security of using electricity. The working principle of this circuit This mine-used electric coal drill safely using electricity controller circuit is composed of trigger control circuit, hold circuit and control implement circuit, it is shown in the figure 8-33. The trigger control circuit is made of electric drill handle switch S, resistors R1-R5, diodes VD1, VD2, capacitors C1, C2 and transistor V1. The hold circuit is composed of current transformer TA, capacitors C3-C5, diodes VD3, VD4, resistors R6, R7 and transistor V2. The control implement circuit consists of resistors R8, R9, capacitor C6, transistor V3, diode VD5, relay K and AC contactor KM. When S is turned off, the current of L3 phase line disappears, then V2 cuts off, V3 cuts off too, K and KM gives off, M stops turning due to power failure.   (View)

View full Circuit Diagram | Comments | Reading(2564)

Three phase brushless motor drive circuit diagram

Published:2011/5/12 21:33:00 Author:Nicole | Keyword: Three phase, brushless motor drive

Three phase brushless motor drive circuit diagram
  (View)

View full Circuit Diagram | Comments | Reading(4070)

Combination protection circuit of constant current current-limiting circuit and disconnection current protection circuit

Published:2011/5/12 21:28:00 Author:Nicole | Keyword: Combination protection, constant current, current-limiting, disconnection, current protection

Combination protection circuit of constant current current-limiting circuit and disconnection current protection circuit
  (View)

View full Circuit Diagram | Comments | Reading(668)

Protection circuit diagram adopted field effect transistor

Published:2011/5/12 21:34:00 Author:Nicole | Keyword: field effect transistor, protection

Protection circuit diagram adopted field effect transistor
  (View)

View full Circuit Diagram | Comments | Reading(485)

Typical constant current overcurrent protection circuit diagram

Published:2011/5/12 21:31:00 Author:Nicole | Keyword: constant current, overcurrent protection

Typical constant current overcurrent protection circuit diagram
  (View)

View full Circuit Diagram | Comments | Reading(794)

Hydraulic slipway PWM microcomputer control drive circuit diagram

Published:2011/5/12 20:47:00 Author:Nicole | Keyword: Hydraulic slipway, PWM, microcomputer, control drive

Hydraulic slipway PWM microcomputer control drive circuit diagram
  (View)

View full Circuit Diagram | Comments | Reading(579)

UC3637 two phase stepping motor driver drive circuit diagram

Published:2011/5/12 20:58:00 Author:Nicole | Keyword: two phase, stepping motor, driver drive

UC3637 two phase stepping motor driver drive circuit diagram
  (View)

View full Circuit Diagram | Comments | Reading(1309)

Stepping motor drive circuit diagram

Published:2011/5/12 20:54:00 Author:Nicole | Keyword: Stepping motor drive

Stepping motor drive circuit diagram
  (View)

View full Circuit Diagram | Comments | Reading(527)

Optical switch drive circuit diagram

Published:2011/5/12 20:59:00 Author:Nicole | Keyword: Optical switch drive

Optical switch drive circuit diagram
  (View)

View full Circuit Diagram | Comments | Reading(762)

Bootstrap IR2110 integrated drive circuit diagram

Published:2011/5/12 20:45:00 Author:Nicole | Keyword: Bootstrap, integrated drive

Bootstrap IR2110 integrated drive circuit diagram
  (View)

View full Circuit Diagram | Comments | Reading(1814)

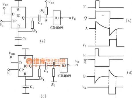
Long time delay timer controller (CD4060, CD4518, CD4069) circuit diagram

Published:2011/5/12 6:16:00 Author:Rebekka | Keyword: Long time delay timer controller

Long time delay timer controller (CD4060, CD4518, CD4069) circuit diagram
Long time delay timer controller (CD4060, CD4518, CD4069) circuit composed of CD4060, CD4518 andCD4069. It is a time base circuit composed of a CD4060. The timing time base pulse generated by the circuit passes the internal divider and outputs time base signal. And then passes the peripheral frequency divider circuit to obtain the required timing control time.   (View)

View full Circuit Diagram | Comments | Reading(4356)

Positive and negative pulse delay circuit compoed of CD4013

Published:2011/5/12 6:33:00 Author:Rebekka | Keyword: Positive and negative pulse delay

Positive and negative pulse delay circuit compoed of CD4013
In the digital circuits and automatic control circuit, sometimes you need to delay the inputed pulse signal for a while and then output the signal. This can accommodate the needs of post-level control circuit. One of the application scheme is to use the pulse delay circuit composed of CD4013. The positive and negative pulse delay circuit compoed of CD4013 is shown as above.   (View)

View full Circuit Diagram | Comments | Reading(4797)

Pages:267/312 At 20261262263264265266267268269270271272273274275276277278279280Under 20