Published:2011/6/28 6:08:00 Author:Michel | Keyword: Inductance Tuning Crystal Radio Circuit | From:SeekIC

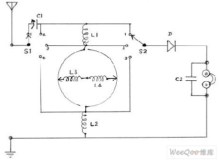
First of all,the Q value of the spherical adjustable inductance coil is measured by Q table. the capacitor The capacitor of Q table is fixed on 55pf and the measuring result is:Maximum induction:550 KHz Q = 68,Middle induction:745 KHz Q = 60,Minimum induction:2770 KHz Q = 30.The capacitor of Q table is fixed on 80 pf and the measuring result is:Maximum induction:478 KHz Q = 77,Middle induction:995 KHz Q = 47,Minimum induction:2300 KHz Q = 15.
The coil's Q value is not high,especially the inside and outside coil reverse and the Q value is lower when the inductance cancel each other out.But it can used as crystal radio receiver tuning without variable capacitor and the line is simpler.
Reprinted Url Of This Article:
http://www.seekic.com/circuit_diagram/Electrical_Equipment_Circuit/Radio_Circuit/Inductance_Tuning__Crystal_Radio_Circuit.html
Print this Page | Comments | Reading(3)
Code: