Published:2011/7/22 21:51:00 Author:Michel | Keyword: Receiver Integrated Circuit | From:SeekIC

CXA1129N is monolithic stereophonic receiver integrated circuit produced by Sony.It integrates the am, FM stereo radio functions.And it saves power which can be used for one month with one A battery.
First,CXA1129N typical work voltage is 1.5V and the work current is 8mA.
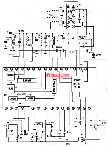
Second,CXA1129N integrated block inside circuit block diagram is shown as figure 1. Figure 1 CXA1129N insdie circuit block diagram of integrated block and typical application circuit.
Third,Pins Functions and Data
CXA1129N uses 30 feet double row flat type plastic package with small size,the length is 10 mm and the width is 5.5 mm/
Reprinted Url Of This Article:
http://www.seekic.com/circuit_diagram/Electrical_Equipment_Circuit/Radio_Circuit/Monolithic__Stereophonic_Receiver_Integrated_Circuit__of_CXA1129N.html
Print this Page | Comments | Reading(3)
Code: