Published:2009/6/18 3:45:00 Author:May | From:SeekIC

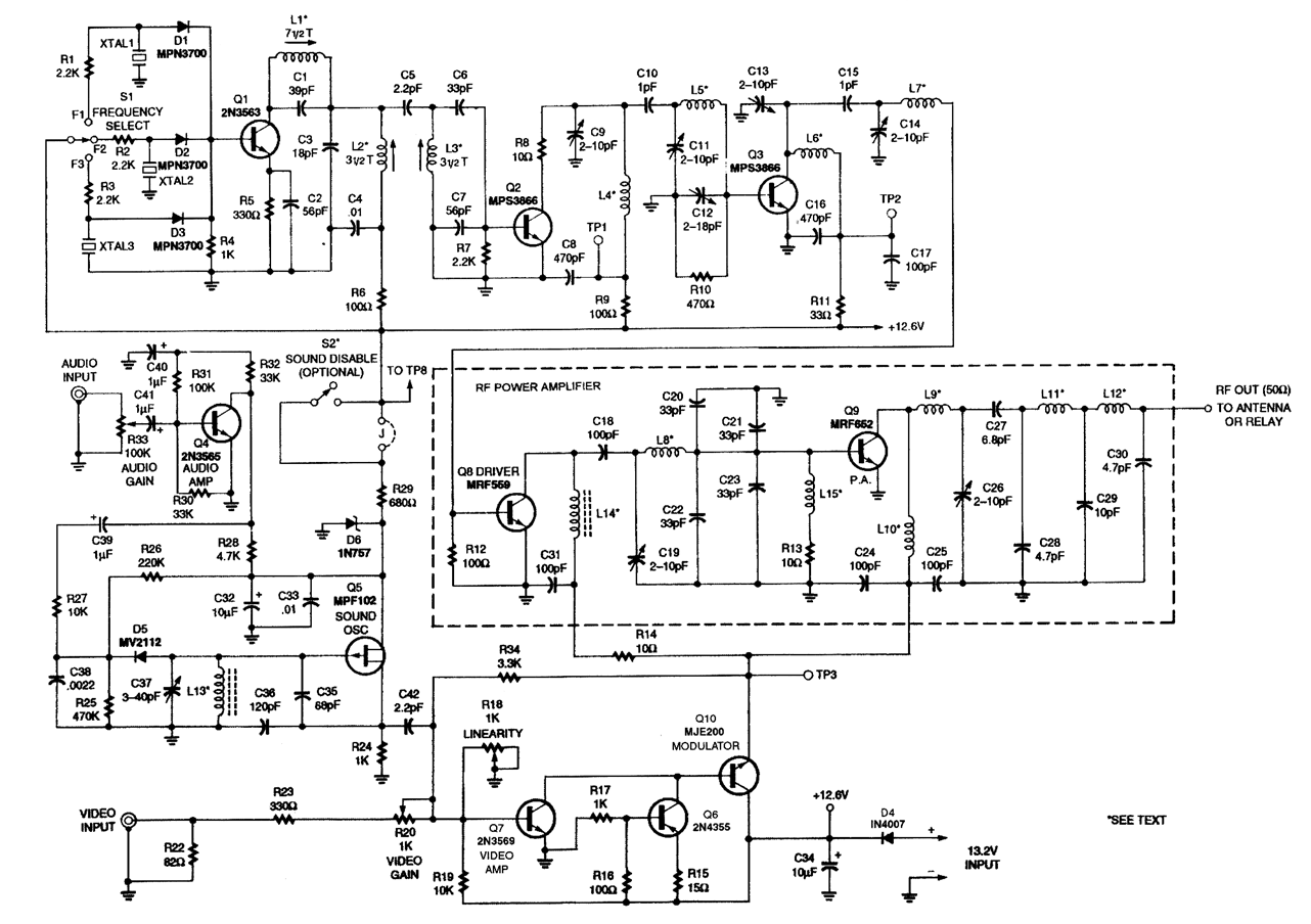
The circuit will produce typically 6 W RE output on synch tips. A crystal oscillator drives a doubler to produce a 220-MHz output.Another doubler produces 440 MHz to drive the power amplifier. A high-level series modulator provides the video modulation capa-bility. A sound subcarrier is generated using a VCO circuit and combined with the video information. A complete kit of parts, includ-ing the PC board, is available from North Country Radio, P.O.Box 53, Wykagyl Station, New Rochelle, NY 10804-0053A.
Reprinted Url Of This Article:
http://www.seekic.com/circuit_diagram/Electrical_Equipment_Circuit/TV_Circuit/5_W_ATV_TRANSMITTER_FOR_440_MHz.html
Print this Page | Comments | Reading(3)
Code: