Published:2009/7/11 3:14:00 Author:May | From:SeekIC

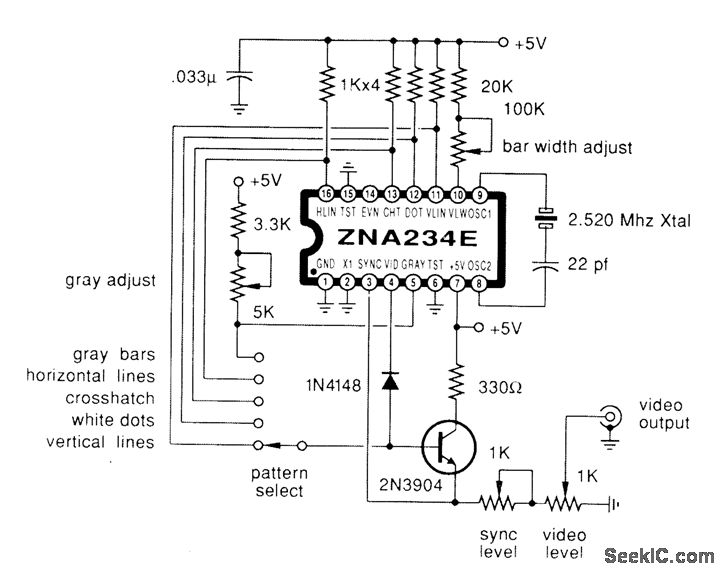
Using a Plessey ZNA234E IC, this generator produces sync, blankin gray bars lines, dots and crosshatch patteflls.
Reprinted Url Of This Article:
http://www.seekic.com/circuit_diagram/Electrical_Equipment_Circuit/TV_Circuit/SIMPLE_MONOCHROME_TV_PATTERN_GENERATOR.html
Print this Page | Comments | Reading(3)
Code: