Published:2009/6/18 1:43:00 Author:May | From:SeekIC

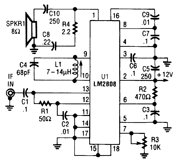
An LM2808 performs IF amplification of the 4.5-MHz sound subcarrier, limiting, detection, and audio amplification. If the center frequency must be changed, then change L1/C4. Audio out-put is 0.5 W. R3 is the volume control.
Reprinted Url Of This Article:
http://www.seekic.com/circuit_diagram/Electrical_Equipment_Circuit/TV_Circuit/TV_SOUND_SYSTEM.html
Print this Page | Comments | Reading(3)
Code: