Published:2011/4/22 5:12:00 Author:Robert | Keyword: Application | From:SeekIC

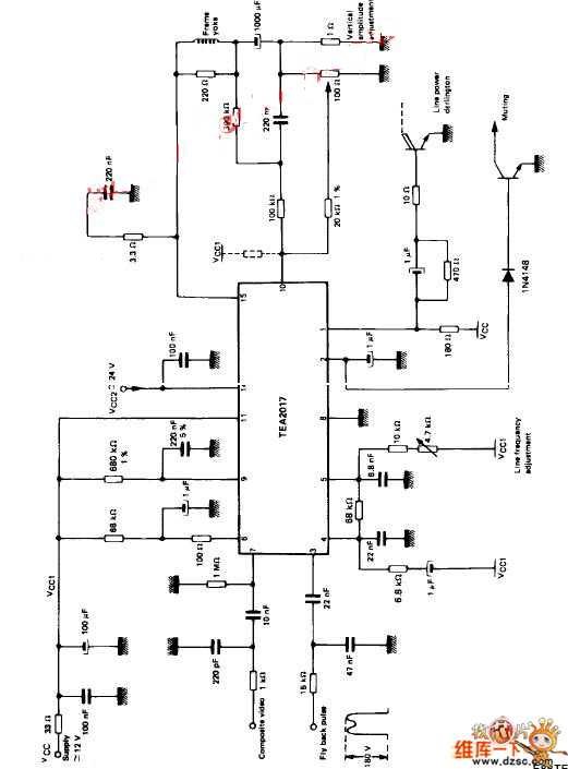
TEA2107 application circuitis shown above.
Reprinted Url Of This Article:
http://www.seekic.com/circuit_diagram/Electrical_Equipment_Circuit/Video_Circuit/TEA2107_Application_Circuit.html
Print this Page | Comments | Reading(3)
Code: