© 2008-2012 SeekIC.com Corp.All Rights Reserved.
Published:2012/12/2 21:54:00 Author:Ecco | Keyword: Level test , voltage comparator | From:SeekIC

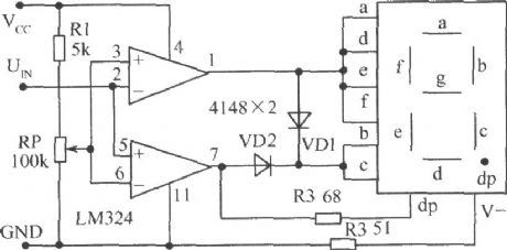
It is facilitate to test the threshold level adjustment, and the DTL, TTL, CMOS, and other logic level. It is known from voltage compator: when the voltage on non -inverting input terminal (positive side) is higher than inverting input terminal (negative side), the comparator output is high; in contrary, the output is low. RP is the comparison voltage adjustment potentiometer, when UIN is higher than the set voltage, the output of pin 7 is high, it displays 1 and the decimal point dp emit light.
Reprinted Url Of This Article:
http://www.seekic.com/circuit_diagram/Measuring_and_Test_Circuit/Level_test_circuit_using_voltage_comparator_LM324.html
Print this Page | Comments | Reading(3)
Response in 12 hours
© 2008-2012 SeekIC.com Corp.All Rights Reserved.
Code: