Published:2011/5/11 21:42:00 Author:Rebekka | Keyword: 0-30V/2A power supply
0-30V/2V adjustable power supply.This is made for a request of the netizens. She uses a voltage regulator dedicated circuit LM723 (IC1) as the core, output voltage can be adjustable continuously between 0 and 30V by the adjustment of P1. Q1 is used for current drive expansion(It needs to use heat sink). R3 provides the sampling resistor used by the protection circuit. The circuit is simple and reliable. Its regulated performance index is also very good. The device parameters of the circuit is shown in the attached list.
(View)
View full Circuit Diagram | Comments | Reading(2732)
Published:2011/5/11 1:55:00 Author:Borg | Keyword: Intergrated Circuit, Calling Lines



HT9030 is an intergrated circuit that can recognise and receive calling lines, which is a engery-saving IC adopting CMOS technique. It is commonly used in products receive and display the calling lines and relevent information(such as caller display phones,etc).
1.internal circuit
The HT9030 intergrated circuit contains sub-circuits of demodulation, ring-down test, low voltage test and off-power control, etc, which adopts crystal and pottery oscillators. The internal circuit of its circuit is shown in Figure 1-1.
Figure 1-1 The internal circuit of HT9030 chips
2.pin functions
HT9030 intergrated circuit is pinned dual in-line packages with 16-lead, whose pin functions of intergrated circuits are listed in Table 1-1.
Table 1-1 pin functions of HT9030 intergrated circuits
3.typical application circuit
The typical application circuit of HT9030 chipsis shown in Figure 1-2.
Figure 1-2 The typical application circuit of HT9030 chips (View)
View full Circuit Diagram | Comments | Reading(1013)
Published:2011/5/11 21:31:00 Author:Rebekka | Keyword: 0-15V 1A power supply
This is a very unique power circuit. It is not only a simple circuit and low cost, the producing process is also very simple. It is made up with common devices, so it is suitable for electronics enthusiasts to imitate. The output 0-15V of circuit is continuous adjustable, and its output current 1A is very suitable for us to use as experimental power. The voltage regulation is achieved by the R2. Q1 need a radiator when it outputs a high current (such as 1A current). (View)
View full Circuit Diagram | Comments | Reading(1357)
Published:2011/5/11 21:55:00 Author:Ecco | Keyword: Low ripple , integrated , regulated power supply
View full Circuit Diagram | Comments | Reading(619)
Published:2011/5/11 21:53:00 Author:Ecco | Keyword: integrated, regulated power supply , NPN , power transistor , extending flowing
View full Circuit Diagram | Comments | Reading(622)
Published:2011/5/11 22:01:00 Author:Ecco | Keyword: High output voltage, integrated , regulated power supply
View full Circuit Diagram | Comments | Reading(513)
Published:2011/5/11 22:03:00 Author:Ecco | Keyword: Negative output voltage , integrated , regulated power supply
View full Circuit Diagram | Comments | Reading(572)
Published:2011/5/11 2:52:00 Author:Borg | Keyword: Intergrated Circuit, Power Supply, Thick Molding Switches
HM8951 is an intergrated circuit of power supplies with thick molding switches, which is widely used in power supply swithes of all kinds of color TV set and other electricapparatus.1.pin functions and relevent dataHM8951 is encapsulated in a single in-line way with 8-lead, whose pin functions and data are listed in Table 1-1.
Table 1-1 pin functions and data of HM8951
2.substituting the differnt modelsHM8951 can be replaced with HM8951A、HM895lB、HM890l、HM890lA、HM890lB and HM8801 if it's malfunctioning. (View)
View full Circuit Diagram | Comments | Reading(561)
Published:2011/5/11 2:31:00 Author:Borg | Keyword: Intergrated Circuit, Microcomputer Dialing
HMgl01 is an intergrated circuit of microcomputer dialing,which is widely used in all kinds of phones.1.function featuresHM9101 contains sub-circuits of pulse/two-tone audio coupling with dialing and key switch signal encoding,etc.2.pin functions and relevent dataPin functions and data of HM9101 are listed in Table 1-1
Table 1-1 pin functions and data of HM9101 (View)
View full Circuit Diagram | Comments | Reading(572)
Published:2011/5/11 2:19:00 Author:Borg | Keyword: Intergrated Circuit, Microcomputer Dialing
HM9102A/D is an intergrated circuit of microcomputer dialing,which is widely used in all kinds of phones.
HM9102A/D is encapsulated in dual-line ways with 18-lead, whose pin functions and data are listed in Table 1-1.
Table 1-1 pin functions and data of the HM9102A/D pulse/two-tone audio dialing circuit (View)
View full Circuit Diagram | Comments | Reading(652)
Published:2011/5/11 7:40:00 Author:Christina | Keyword: Philips, 17 inches, color monitor, switching power supply
The Philips 107S21 type 17 inches color monitor switching power supply circuit is as shown:
(View)
View full Circuit Diagram | Comments | Reading(1772)
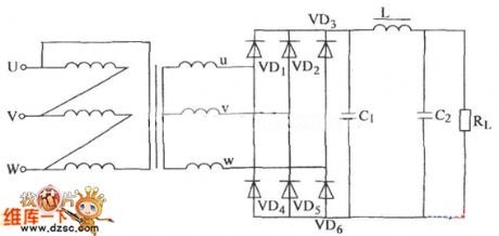
Published:2011/5/11 7:13:00 Author:Robert | Keyword: Three-Phase Bridge, Rectifier, π Type Filter
A Three-Phase Bridge Rectifier πType Filter Circuit is shown below.
(View)
View full Circuit Diagram | Comments | Reading(1311)
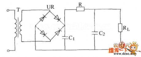
Published:2011/5/11 7:11:00 Author:Robert | Keyword: Single-Phase Bridge, Rectifier, π Type Filter
The About Single-Phase Bridge Rectifier π Type Filter Circuit is shown below.
(View)
View full Circuit Diagram | Comments | Reading(873)
Published:2011/5/11 20:33:00 Author:Ecco | Keyword: Logic control, integrated , regulated power supply
View full Circuit Diagram | Comments | Reading(554)
Published:2011/5/11 20:35:00 Author:Ecco | Keyword: Self-excitation, switching , integrated , regulated power supply
View full Circuit Diagram | Comments | Reading(817)
Published:2011/5/11 20:32:00 Author:Rebekka | Keyword: fabrication circuit , digital display experimental power supply
The regulated power supply is widely used in the electronic producing for E-lovers. A reliable, convenient and practical experiments can give our amateur making more convenience.
For this purpose, here I introduce some processes of the self-making power supply. In order to avoid the trouble of looking for components and making, here we all use some common components and circuits. But we put more time and costs into the quality of components, circuit design, layout. The shape diagram and internal structure is shown as above. (View)
View full Circuit Diagram | Comments | Reading(679)
Published:2011/5/11 20:26:00 Author:Ecco | Keyword: 5V, 1A , regulated power supply , integrated regulator
View full Circuit Diagram | Comments | Reading(2339)
Published:2011/5/11 2:48:00 Author:Rebekka | Keyword: switch power supply
Here is the diagram of LWT2005 type ATX switch power supply circuit.
(View)
View full Circuit Diagram | Comments | Reading(12209)
Published:2011/5/11 2:43:00 Author:Rebekka | Keyword: switching power supply
Here is the diagram of 200W ATX switching power supply circuit. (View)
View full Circuit Diagram | Comments | Reading(4511)
Published:2011/5/11 3:36:00 Author:Nicole | Keyword: regulated power supply, swtich


As shown in the figure, it is a 15V/6A, 90W swtich power supply circuit which is composed of MC33374. It adopts E28 ferrite cores, the lead wire diameter of primary coil and feedback coil is unchanging, the turn is 34 turns, 4 turns. The secondary coil uses φ0.8mm enamel wire to double strand parallel wound 5 turns. The air gap of magnetic core is 0.56mm.
The technical index of this power supply is shown in the below table
(View)
View full Circuit Diagram | Comments | Reading(1446)
| Pages:227/291 At 20221222223224225226227228229230231232233234235236237238239240Under 20 |