Position: Home > Circuit Diagram > power supply circuit > Index 263
Low Cost Custom Prototype PCB Manufacturer

power supply circuit

Index 263



Cap lamp alarm circuit

Published:2011/4/8 2:52:00 Author:Nicole | Keyword: cap lamp, alarm

Cap lamp alarm circuit
This circuit is designed by using cap lamp battery as power supply, it is fixed in mining cap. When the gas is overflow, then the headlight bulb will flash automatically, and with an alarm. With less component, the circuit makes no difference to cap lamp normal operation, it also has the advantages of low costs, adjustable alarm point, and convenient to carry.   (View)

View full Circuit Diagram | Comments | Reading(743)

The internal protection circuit of Li-ion batteries

Published:2011/4/8 2:53:00 Author:Nicole | Keyword: Li-ion batteries

The internal protection circuit of Li-ion batteries
  (View)

View full Circuit Diagram | Comments | Reading(1915)

The basic circuit of double level floating charge charger composed of UC3906

Published:2011/4/8 2:53:00 Author:Nicole | Keyword: double level, floating charge, charger

The basic circuit of double level floating charge charger composed of UC3906
  (View)

View full Circuit Diagram | Comments | Reading(1353)

Typical application circuit composed of MAX1894/MAX1924 with precharge function

Published:2011/4/8 2:54:00 Author:Nicole | Keyword: precharge function

Typical application circuit composed of MAX1894/MAX1924 with precharge function
Composed of MAX1894/MAX1924, lithium ion battery protection circuit has two charging control circuits, they are fast charging circuit and precharging circuit. Having precharge function typical application circuit composed of MAX1894/MAX1924 are as below.   (View)

View full Circuit Diagram | Comments | Reading(1068)

The eletric fan circuit decorated by LED

Published:2011/4/8 2:58:00 Author:Nicole | Keyword: LED, electric fan

The eletric fan circuit decorated by LED
Used LED to decorate electric fan, it is dazzlingly beautiful and idiosyncratic. After connecting to power supply, the light crosses as arc and it is colorful. The figure (a) is 220V mains supply, the work current is 10mA; the figure (b) is flash circuit, the power supply is from motor tap directly.   (View)

View full Circuit Diagram | Comments | Reading(1188)

The inversion power supply circuit with automatic voltage regulation function

Published:2011/4/8 2:58:00 Author:Nicole | Keyword: steady voltage, inverting power

The inversion power supply circuit with automatic voltage regulation function
  (View)

View full Circuit Diagram | Comments | Reading(758)

Automatic voltage regulation inverter circuit

Published:2011/4/8 2:59:00 Author:Nicole | Keyword: steady voltage, inverter

Automatic voltage regulation inverter circuit
  (View)

View full Circuit Diagram | Comments | Reading(985)

Charging circuit composed of LTC4064

Published:2011/4/8 3:03:00 Author:Nicole | Keyword: charging

Charging circuit composed of LTC4064
LTC4064 is produced by Linear Technology company, as an independent charger, it is designed for prolonging the service life of lithium ion battery, charging lithium ion batterieswith 4.0 V float voltage(neither is 4.1V nor is 4.2V). LTC4064 slows down the degradation behavior of lithium ion battery and prevent capacitance degradationbecause ofthe low rate of lithium ion battery use(but it should keep full charge state long time).   (View)

View full Circuit Diagram | Comments | Reading(589)

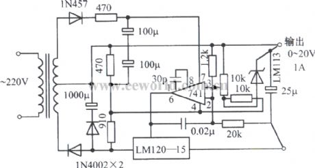
0~20V、1A adjustable regulated power supply composed of LM120-15, Zener diode LM741

Published:2011/4/8 4:38:00 Author:Nicole | Keyword: regulated power supply, Zener diode

0~20V、1A adjustable regulated power supply composed of LM120-15, Zener diode LM741
  (View)

View full Circuit Diagram | Comments | Reading(1638)

2V﹑4V﹑6V sub-block output precise stabilized voltage supply circuit

Published:2011/3/31 20:36:00 Author:may | Keyword: sub-block output, stabilized voltage supply

2V﹑4V﹑6V sub-block output precise stabilized voltage supply circuit
  (View)

View full Circuit Diagram | Comments | Reading(638)

Buck switching regulator circuit diagram composed of W497

Published:2011/3/30 3:17:00 Author:Nicole | Keyword: switching regulator

Buck switching regulator circuit diagram composed of W497
  (View)

View full Circuit Diagram | Comments | Reading(781)

2V precise stabilized voltage supply circuit

Published:2011/3/31 20:38:00 Author:may | Keyword: stabilized voltage supply

2V precise stabilized voltage supply circuit
  (View)

View full Circuit Diagram | Comments | Reading(583)

Separately excited switching power supply circuit diagram using self-excited multivibrator as pulse generator

Published:2011/4/1 3:56:00 Author:Nicole | Keyword: switching power supply, self-excited multivibrator, pulse generator

Separately excited switching power supply circuit diagram using self-excited multivibrator as pulse generator
As shown, separately excited switching power supply circuit which used self-excited multivibrator as pulse generator, VTlis the switch tube; VT2, VT3are the push tubes; VT4is the emitter follower. Self-excited multivibrator as the separately excited oscillation circuit is composed of VT5, VT6, C2, C3, R3, R4 and so on. The emitter-coupled differential amplifier is made of VT7, VT8 which as the error amplification. Sampling circuit consists of resistors R7, R8 and R9 potentiometer in series. The reference voltage circuit composed of diode VD4 and R5. Diode VDl, VD2 is used to prevent the push tube VT2, VT3 emitter reversing voltage breakdown. VD3 for the after flow diode; L for the energy storage inductor. The turn-on and cut-off of switching regulator is flipped by the multivibrator, and controlled by emitter follower VT4. The time of multivibrator flip is determined by the error amplifier. The flip time of VT5 from the end to turn is determined by the charge current of VT8 to the C3. VT8 current is larger, the deadline of VT5 is longer. Similarly, The flip time of VT6 from the end to turn is determined by the charge current of VT7 to the C2 VT7 current is larger, the deadline of VL is shorter. When the output voltage down for some reason, VT8 tube collector current of the differential amplifier is decreased, VT7 tube collector current increases, so the conduction time of VT5 is shortened, extended the deadline, leading to the conduction time of VT4 longer, the deadline shorter, and ultimately the conduction time of control switch lengthened, shortened the deadline, so that the output voltage to rise, keep output voltage steady.   (View)

View full Circuit Diagram | Comments | Reading(1770)

Regulator circuit diagram using capacitor as transformer

Published:2011/4/1 3:56:00 Author:Nicole | Keyword: regulator, capacitor, transformer

Regulator circuit diagram using capacitor as transformer
  (View)

View full Circuit Diagram | Comments | Reading(642)

Frequency modulated switching power supply circuit diagram with steady performance

Published:2011/4/1 3:55:00 Author:Nicole | Keyword: frequency modulated, switching power supply

Frequency modulated switching power supply circuit diagram with steady performance
As is shown in the figure, this is another example of switching power supply. The frequency changes are in range of 38 ~ 70kHz, when the input voltage changes are in range of 90 ~ 300V, it can maintain the stability of the output DC voltage.   (View)

View full Circuit Diagram | Comments | Reading(842)

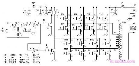
500W inverter

Published:2011/3/31 19:54:00 Author:may | Keyword: inverter

500W inverter
  (View)

View full Circuit Diagram | Comments | Reading(3614)

Real-time high-voltage switching power supply circuit diagram

Published:2011/4/1 3:54:00 Author:Nicole | Keyword: Real-time, high-voltage, switching power supply

Real-time high-voltage switching power supply circuit diagram
  (View)

View full Circuit Diagram | Comments | Reading(1717)

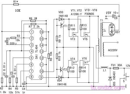
Self-excited feedback transforming switching power supply circuit diagram

Published:2011/4/1 3:54:00 Author:Nicole | Keyword: switching power supply

Self-excited feedback transforming switching power supply circuit diagram
The basic principles of ringing choke-type as shown. When coupled with the input voltage, the current from Rg flowing to the base of switch VTl , so VTl conduction, when the diode of the transformer secondary side reverse biased, without current, so the streaming current of VT1 collector current and Np of transformer windings are equal. Because it is starting from zero, so the base current is not able to make VTl conduction. Rg is called the startup resistor.   (View)

View full Circuit Diagram | Comments | Reading(2483)

5-12V continuous adjustable power supply circuit

Published:2011/3/31 4:04:00 Author:may | Keyword: continuous adjustable power supply

5-12V continuous adjustable power supply circuit
  (View)

View full Circuit Diagram | Comments | Reading(658)

Power soft-start circuit adopts capacitor

Published:2011/3/30 3:24:00 Author:may | Keyword: Power soft-start, capacitor

Power soft-start circuit adopts capacitor
  (View)

View full Circuit Diagram | Comments | Reading(1347)

Pages:263/291 At 20261262263264265266267268269270271272273274275276277278279280Under 20