Position: Home > Circuit Diagram > power supply circuit > Index 279
Low Cost Custom Prototype PCB Manufacturer

power supply circuit

Index 279



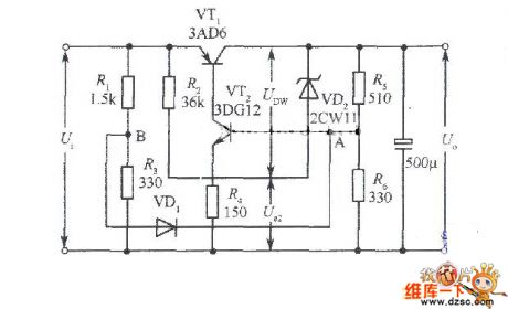
+10 V integrated voltage regulator circuit with high precision and high stability

Published:2011/4/1 3:11:00 Author:Joan | Keyword: High precision and high stability , +10 V integrated voltage regulator

+10 V integrated voltage regulator circuit with high precision and high stability
  (View)

View full Circuit Diagram | Comments | Reading(743)

+5V-+12V boost pressure supply circuit diagram

Published:2011/4/1 1:23:00 Author:Ecco | Keyword: boost pressure supply

+5V-+12V boost pressure supply circuit diagram
The boost pressure supply is composed of an efficient, low-power boosting d.c. convertor MAX761 and a few outer circle components. Its characteristics are: the efficiency of conversion is is 86%;The quiescent current is 110 μ A; Having the function of measuring the voltage of low batteries. In the chart, R3, R4 are divider resistances to measure the voltage of batteries, their value is generally counted according to the formula of R4=R3(VTPIP/1.5-1, and VTPIP is measuring triggering voltage.   (View)

View full Circuit Diagram | Comments | Reading(1106)

Adjustable positive and negative output voltage integrated voltage regulator circuit

Published:2011/3/28 3:40:00 Author:Joan | Keyword: Adjustable , positive and negative output voltage , integrated voltage regulator

Adjustable positive and negative output voltage integrated voltage regulator circuit
  (View)

View full Circuit Diagram | Comments | Reading(964)

5 terminal adjustable integrated voltage regulator CW200 standard application circuit

Published:2011/3/28 3:38:00 Author:Joan | Keyword: 5 terminal , adjustable , integrated voltage regulator

5 terminal adjustable integrated voltage regulator CW200 standard application circuit
  (View)

View full Circuit Diagram | Comments | Reading(719)

High stability integrated voltage regulator circuit 3 composed of CW137

Published:2011/3/28 3:36:00 Author:Joan | Keyword: High stability , integrated voltage regulator

High stability integrated voltage regulator circuit 3 composed of CW137
  (View)

View full Circuit Diagram | Comments | Reading(568)

Adjustable constant current source circuit consisting of CW137

Published:2011/3/28 3:20:00 Author:Joan | Keyword: Adjustable , constant current source

Adjustable constant current source circuit consisting of CW137
  (View)

View full Circuit Diagram | Comments | Reading(537)

Slow-start integrated voltage regulator circuit composed of CW137

Published:2011/3/28 3:34:00 Author:Joan | Keyword: Slow-start , integrated voltage regulator

Slow-start integrated voltage regulator circuit composed of CW137
  (View)

View full Circuit Diagram | Comments | Reading(664)

Multiple centralized controlling adjustable integrated voltage regulator circuit

Published:2011/3/28 3:32:00 Author:Joan | Keyword: Multiple centralized controlling , adjustable , integrated voltage regulator

Multiple centralized controlling adjustable integrated voltage regulator circuit
Above is Multiple centralized controlling adjustable integrated voltage regulator circuit consisting of CW137.   (View)

View full Circuit Diagram | Comments | Reading(580)

TTL logic level controlling output integrated voltage regulator circuit

Published:2011/3/28 3:29:00 Author:Joan | Keyword: TTL logic level controlling output , integrated voltage regulator

TTL logic level controlling output integrated voltage regulator circuit
Above is TTL logic level controlling output integrated voltage regulator circuit consisting of CW137.   (View)

View full Circuit Diagram | Comments | Reading(633)

High stability integrated voltage regulator composed of CW137 circuit

Published:2011/3/28 3:04:00 Author:Joan | Keyword: High stability , integrated voltage regulator

High stability integrated voltage regulator composed of CW137 circuit
  (View)

View full Circuit Diagram | Comments | Reading(559)

Tracking integrated voltage regulator (positive voltage tracks negative voltage) circuit

Published:2011/3/24 22:42:00 Author:Joan | Keyword: Tracking integrated voltage regulator , positive voltage , negative voltage

Tracking integrated voltage regulator (positive voltage tracks negative voltage) circuit
  (View)

View full Circuit Diagram | Comments | Reading(806)

large-current integrated voltage regulator circuit with external current amplifier tube protection

Published:2011/3/24 22:15:00 Author:Joan | Keyword: large-current , integrated voltage regulator circuit, current amplifier tube

large-current integrated voltage regulator circuit with external current amplifier tube protection
  (View)

View full Circuit Diagram | Comments | Reading(690)

Large-current output integrated voltage regulator circuit

Published:2011/3/24 22:03:00 Author:Joan | Keyword: Large-current output , integrated voltage regulator

Large-current output integrated voltage regulator circuit
  (View)

View full Circuit Diagram | Comments | Reading(575)

Producing floating fault number control integrated voltage regulator circuit

Published:2011/3/24 3:50:00 Author:Joan | Keyword: number control , integrated voltage regulator

Producing floating fault number control integrated voltage regulator circuit
  (View)

View full Circuit Diagram | Comments | Reading(621)

6V Collector output fixed voltage power supply circuit diagram

Published:2011/3/21 21:59:00 Author:Rebekka | Keyword: Collector output ,

6V Collector output fixed voltage power supply circuit diagram
6V Collector output fixed voltage power supply circuit diagram is shown as below.   (View)

View full Circuit Diagram | Comments | Reading(855)

Common LM317 Integration Fixed Voltage Power Suppply Circuit Diagram

Published:2011/3/21 21:57:00 Author:Rebekka | Keyword: Integration, Fixed Voltage Power Suppply

Common LM317 Integration Fixed Voltage Power Suppply Circuit Diagram
Common LM317 Integration Fixed Voltage Power Suppply Circuit Diagram is shown as below.   (View)

View full Circuit Diagram | Comments | Reading(669)

Program-controlled current source circuit diagram

Published:2011/3/30 3:24:00 Author:Rebekka | Keyword: Programmable, current source

Program-controlled current source circuit diagram
Program-controlled current source(7520DAC) circuit diagramis shown as below.   (View)

View full Circuit Diagram | Comments | Reading(678)

With 4.5V power supply circuit diagram

Published:2011/3/22 22:49:00 Author:Rebekka | Keyword: With 4.5V power supply

With 4.5V power supply circuit diagram
With 4.5V power supply circuit diagram is shown as below.   (View)

View full Circuit Diagram | Comments | Reading(692)

With cut-off-protection 5V fixed voltage power supply circuit schematic

Published:2011/3/22 22:48:00 Author:Rebekka | Keyword: With cut-off-protection, 5V fixed voltage power supply

With cut-off-protection 5V fixed voltage power supply circuit schematic
With cut-off-protection 5V fixed voltage power supply circuit schematic is shown as below.   (View)

View full Circuit Diagram | Comments | Reading(1186)

Composed of STR-A6359 step-down application circuit diagram

Published:2011/3/29 3:59:00 Author:Rebekka | Keyword: step-down application

Composed of STR-A6359 step-down application circuit diagram
Composed of STR-A6359 step-down application circuit diagram is shown as below.   (View)

View full Circuit Diagram | Comments | Reading(1625)

Pages:279/291 At 20261262263264265266267268269270271272273274275276277278279280Under 20