About SeekIC | Services | Payment | Advertisements service | Contact Us | Links
© 2008-2012 SeekIC.com Corp.All Rights Reserved.
Published:2011/5/5 9:56:00 Author:Felicity | Keyword: SCR (two-way), Speed Test Circuit, | From:SeekIC

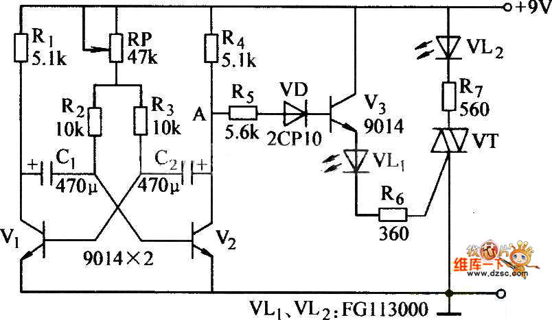
The picture above shows the SCR (two-way) Speed Test Circuit.
Reprinted Url Of This Article:
http://www.seekic.com/circuit_diagram/Remote_Control_Circuit/SCR_two_way_Speed_8203;8203;Test_Circuit.html
Print this Page | Comments | Reading(3)
Response in 12 hours
© 2008-2012 SeekIC.com Corp.All Rights Reserved.
Code: