Published:2009/7/20 11:50:00 Author:Jessie | From:SeekIC

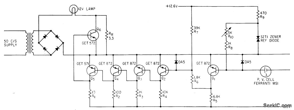
Feedback circuit generates precise pulses to control light level of photoelectric light source. Difference between reference current supplied by zener diode and current from photocell is amplified by transistor chain and applied to Q6 to adjust lamp current.-J. R. Dyke, Illumination Stabilizer for Photosensing System, Electronics, 34:52, p 44-45.
Reprinted Url Of This Article:
http://www.seekic.com/circuit_diagram/Sensor_Circuit/Humidity_Sensor/LIGHT_SOURCE_STABILIZER.html
Print this Page | Comments | Reading(3)
Code: