Published:2009/7/20 10:23:00 Author:Jessie | From:SeekIC

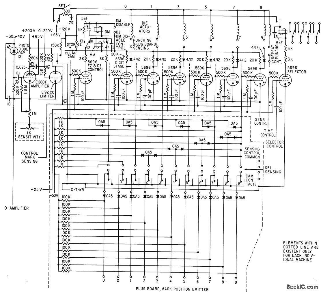
Automatically transcribes up to 40 pencil marks on specially printed 90-column cards into machine code and block-punches information into cards in any desired format at 150 cards per minute -F. A. Frankl, Transcribing Field Markings by Optical Scanning, Electronics, 34:31, p 49-51.
Reprinted Url Of This Article:
http://www.seekic.com/circuit_diagram/Sensor_Circuit/Temperature_Sensor/MARK_SENSOR_FOR_CARDS.html
Print this Page | Comments | Reading(3)
Code: