Published:2009/6/24 2:29:00 Author:May | From:SeekIC

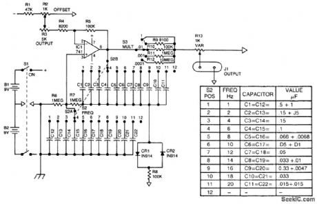
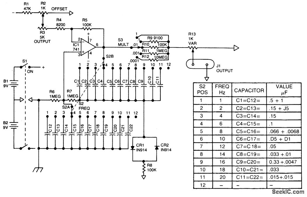
Wien bridge oscillator generates frequen-cies of 1 Hz and 2 to 20 Hz in 2 Hz steps. Maximum output amplitude is 3 volts rms of8.5 volts peak-to-peak. A pot-and-switch at-tenuator allows the output level to be set with a fair degree of precision to any value within a range of 5 decades.
Reprinted Url Of This Article:
http://www.seekic.com/circuit_diagram/Signal_Processing/Low_Frequency_Signal_Generating/VERY_LOW_FREOUENCY_GENERATOR.html
Print this Page | Comments | Reading(3)
Code: