Published:2011/4/14 2:45:00 Author:Ecco | Keyword: Homemade gunfire , analog generator | From:SeekIC

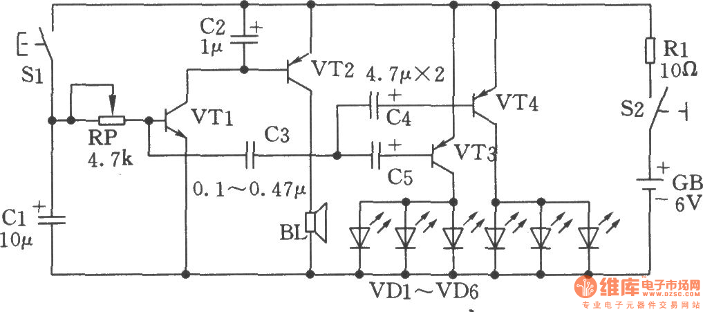
Two transistors form a complementary audio oscillator which could be used as gunfire analog sound generator, and the sounds are realistic, rich in reverberation. The circuit is as shown. Selection of components: transistor VTl, VT2: 9014, β = 85 ~ 115, VT3, VT4: 9015, β = 65 ~ 85. Sl: AN4, S2: KN3. LED VDl ~ VD6: BT201, can also choose other models, the best selection is the LED in low power, high luminous efficiency. Battery GB: 4F22DC6V stacked batteries. Speaker BL: 8Ω, 0.25W.
Reprinted Url Of This Article:
http://www.seekic.com/circuit_diagram/Signal_Processing/Noise_Generator/Homemade_gunfire_analog_generator.html
Print this Page | Comments | Reading(3)
Code: