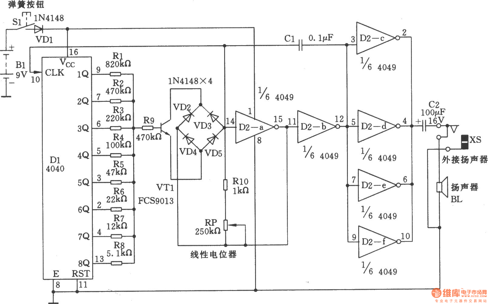
Published:2011/4/12 0:38:00 Author:Ecco | Keyword: Noise generator | From:SeekIC

Reprinted Url Of This Article:
http://www.seekic.com/circuit_diagram/Signal_Processing/Noise_Generator/Noise_generator_composed_of_CH4040.html
Print this Page | Comments | Reading(3)
Code: