Published:2009/7/2 2:06:00 Author:May | From:SeekIC

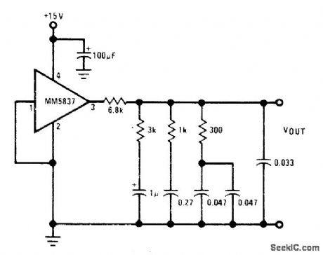
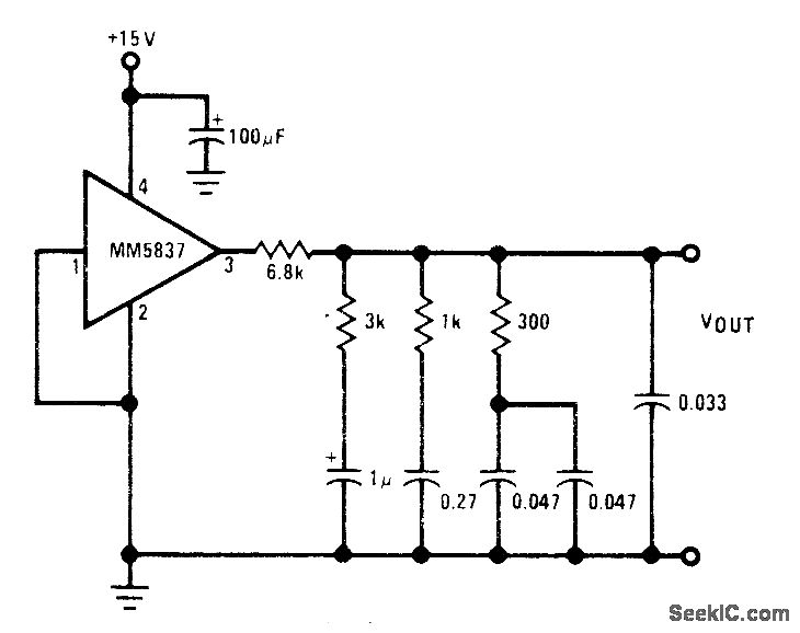
Uses MM5837 broadband white-noise generator with -3 dB per octave filter from 10 Hz to 40 kHz to give pink-noise output having flat spectral distribution over entire audio band from 20 Hz to 20 kHz.Output is about 1 V P-P of pink noise riding on 8.5-VOC level. Used as controlled source of noise for adjusting octave equalizer to optimum settings for specific listening area.- Audio Handbook. National Semiconductor. Santa Clara. CA. 1977. p 2-53-2-59.
Reprinted Url Of This Article:
http://www.seekic.com/circuit_diagram/Signal_Processing/Noise_Generator/PINK_NOISE_GENERATOR.html
Print this Page | Comments | Reading(3)
Code: