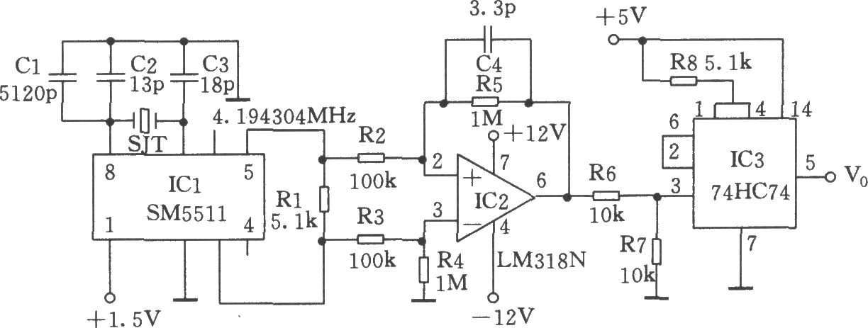
Published:2011/6/20 8:30:00 Author:Lucas | Keyword: Precise , second, pulse signal, generator | From:SeekIC

Reprinted Url Of This Article:
http://www.seekic.com/circuit_diagram/Signal_Processing/Pulse_Signal_Generator/Precise_second_pulse_signal_generator.html
Print this Page | Comments | Reading(3)
Code: