Published:2009/7/2 1:06:00 Author:May | From:SeekIC

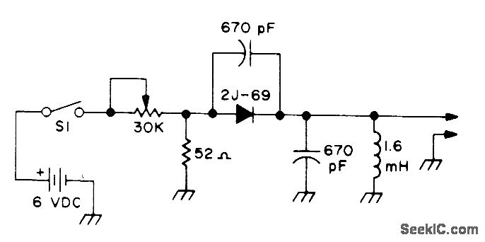
Tunnel-diode sine-wave oscillator uses single GE 2J-69. Frequency is stable provided there are no drastic temperature changes, but for long-term accuracy and stability a crystal oscillator is recommended.-Circuits, 73 Magazine, May 1977, p 31.
Reprinted Url Of This Article:
http://www.seekic.com/circuit_diagram/Signal_Processing/Sine_Signal_Generating/100_kHz_SINE.html
Print this Page | Comments | Reading(3)
Code: