Published:2009/7/5 22:14:00 Author:May | From:SeekIC

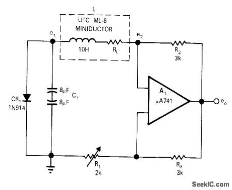
Output voltage is 8 V P-P at about 25 Hz for values shown, with total harmonic distortion less than 0.5%. Circuit will operate from 15 Hz to 100 kHz by using other values. Set regeneration control Rl, at minimum value needed to sustain oscillation.-J. C. Freebom, Simple Sinewave Oscillator, EDN/EEE Magazine, Sept. 1, 1971, p44.
Reprinted Url Of This Article:
http://www.seekic.com/circuit_diagram/Signal_Processing/Sine_Signal_Generating/25_Hz_SINE_WAVE.html
Print this Page | Comments | Reading(3)
Code: