Published:2009/7/5 22:20:00 Author:May | From:SeekIC

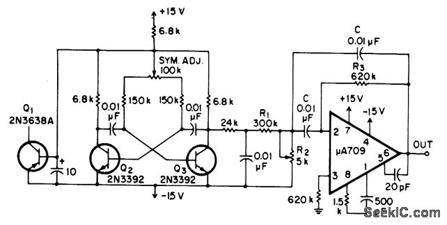
Squarewave oscillator Q2-Q3 stabilized by Q1, followed by passive filter and active filter using μA709, produces amplitude-stabilized sine wave at 350 Hz, for which third harmonic is 39 dB down and other harmonics are insignificant.-E. Neugroschel and A. Paterson, Amplitude-Stabilized Audio Oscillator, EEE Magazine, April 1971, p 65.
Reprinted Url Of This Article:
http://www.seekic.com/circuit_diagram/Signal_Processing/Sine_Signal_Generating/350_Hz_STABILIZED_SINE_WAVE.html
Print this Page | Comments | Reading(3)
Code: