Published:2009/7/6 21:34:00 Author:May | From:SeekIC

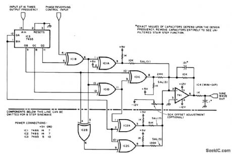
Sine-wave generator produces Walsh-function approximation of sine function. Frequency of sine wave is set by square-wave input to pin 14 of 7493. Filter com ponents of opamp help smooth staircase wave form generated by summing Walsh-function components as weighted by resistors. Circuit is converter consisting of digital expander that expands input square wave into variety of digital waveforms and analog combiner that adds these waveforms to produce periodic analog output. Negative signs of Walsh harmonics are handled with digital inverter, and magnitudes are handled by choice of resistor value in summing junction. Signs and magnitudes are under microprocessor control. Net output is stairstep approximation to desired output, which can be smoothed by low-pass filter.-B. F. Jacoby, Walsh Functions: A Digital Fourier Series, BYTE, Sept. 1977, p 190-198.
Reprinted Url Of This Article:
http://www.seekic.com/circuit_diagram/basic_circuit/digital_circuit/digital_fourier.html
Print this Page | Comments | Reading(3)
Code: