Position: Home > Circuit Diagram > Electrical Equipment Circuit > Other Circuit > Liquid level controller circuit diagram 1

Other Circuit

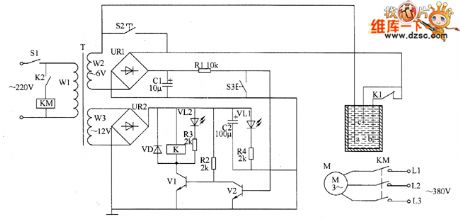
Liquid level controller circuit diagram 1

Published:2011/8/15 22:10:00 Author:Ecco | Keyword: Liquid level controller | From:SeekIC

Print this Page | Comments | Reading(3)

To evaluate my
Code: