Published:2012/9/24 4:07:00 Author:muriel | Keyword: water, detector | From:SeekIC

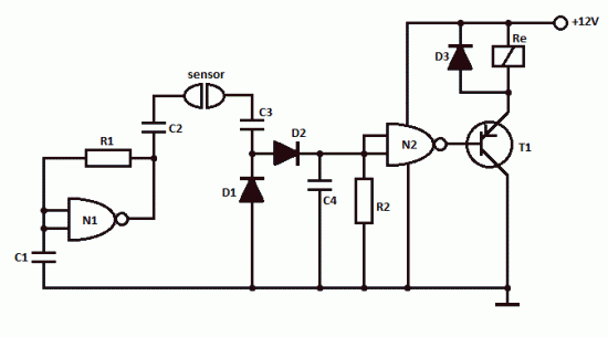
This simple water detector circuit uses alternative voltage in order to prevent the corrosion of the electrodes. It is easy to build and uses N1 as a trigger Schmitt gate which generate the AC. If between the electrodes is a electricity conductor, for example an aqueous solution, then because of the rectification action of D1 and D2, the C4 capacitor is charging.When the capacitor voltage reaches switching threshold of the N2 trigger Schmitt, the relay will trigger and connect, for example a drain pump. The pump will be disconnected as soon as the electrodes won’t touch the liquid.
Simple water detector circuit schematic
Water detector componentsR1 = 470KR2 = 10M … 22MC1 … C4 = 2.2nFN1, N2 = 1/2 4093D1 … D3 = 1N4148T1 = pnp transistor (BC557)?
10 Responses to “Simple water detector circuit”
Reprinted Url Of This Article:
http://www.seekic.com/circuit_diagram/electrical_equipment_circuit/simple_water_detector_circuits.html
Print this Page | Comments | Reading(3)
Code: