Position: Home > Circuit Diagram > Index 2105
Low Cost Custom Prototype PCB Manufacturer

Circuit Diagram

Index 2105

JETTA AT、JETTA GT saloon car ignition system and sensor circuit diagram

Published:2011/4/12 21:10:00 Author:muriel | Keyword: JETTA AT, JETTA GT, saloon car , ignition system , sensor

JETTA AT、JETTA GT saloon car ignition system and sensor circuit diagram
JETTA AT、JETTA GT saloon car ignition system and sensor circuit diagram as shown   (View)

View full Circuit Diagram | Comments | Reading(951)

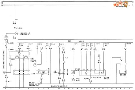
Engine speed、deflagration sensor、mass air flow and fuel injector electronic control unit circuit diagram

Published:2011/4/12 21:21:00 Author:muriel | Keyword: JETTA AT, JETTA GT , saloon car, engine speed, deflagration sensor, mass air flow , fuel injector electronic control unit

Engine speed、deflagration sensor、mass air flow and fuel injector electronic control unit circuit diagram
JETTA AT、JETTA GT saloon car engine speed、deflagration sensor、mass air flow and fuel injector electronic control unit circuit diagram as shown   (View)

View full Circuit Diagram | Comments | Reading(1244)

JETTA AT、JETTA GT saloon car fuel pump and instrument board circuit diagram

Published:2011/4/12 21:08:00 Author:muriel | Keyword: JETTA AT, JETTA GT , saloon car , fuel pump , instrument board

JETTA AT、JETTA GT saloon car fuel pump and instrument board circuit diagram
JETTA AT、JETTA GT saloon car fuel pump and instrument board circuit diagram as shown   (View)

View full Circuit Diagram | Comments | Reading(550)

Basic RC bridge oscillating circuit diagram

Published:2011/4/13 3:02:00 Author:Jessie | Keyword: RC bridge, oscillating

Basic RC bridge oscillating circuit diagram
  (View)

View full Circuit Diagram | Comments | Reading(578)

Cadillac starting circuit

Published:2011/4/13 21:31:00 Author:Jessie | Keyword: starting

Cadillac starting circuit
  (View)

View full Circuit Diagram | Comments | Reading(553)

Cadillac airbags circuit

Published:2011/4/13 21:29:00 Author:Jessie | Keyword: airbags

Cadillac airbags circuit
  (View)

View full Circuit Diagram | Comments | Reading(610)

Cadillac luggage open circuit

Published:2011/4/13 21:28:00 Author:Jessie | Keyword: Cadillac

Cadillac luggage open circuit
  (View)

View full Circuit Diagram | Comments | Reading(634)

1000V High-pressure output DC regulated voltage power supply circuit

Published:2011/3/22 22:52:00 Author:muriel | Keyword: 1000V, High-pressure output, DC , regulated voltage power supply circuit

1000V High-pressure output DC regulated voltage power supply circuit
  (View)

View full Circuit Diagram | Comments | Reading(1308)

1000W Automatic voltage regulating AC regulated voltage power supply

Published:2011/3/22 22:51:00 Author:muriel | Keyword: 1000W , Automatic, voltage regulating , AC , regulated voltage power supply

1000W Automatic voltage regulating AC regulated voltage power supply
  (View)

View full Circuit Diagram | Comments | Reading(1147)

High input voltage integrated regulated voltage power supply circuit with CW200 No.1

Published:2011/3/30 2:19:00 Author:muriel | Keyword: High input voltage, integrated , regulated voltage power supply

High input voltage integrated regulated voltage power supply circuit with CW200 No.1
  (View)

View full Circuit Diagram | Comments | Reading(529)

High input voltage integrated regulated voltage power supply circuit with CW200 No.2

Published:2011/3/30 2:20:00 Author:muriel | Keyword: High input voltage, integrated , regulated voltage power supply

High input voltage integrated regulated voltage power supply circuit with CW200 No.2
  (View)

View full Circuit Diagram | Comments | Reading(512)

Adjustable constant flow source with BG602

Published:2011/3/30 2:21:00 Author:muriel | Keyword: adjustable , constant flow source

Adjustable constant flow source with BG602
  (View)

View full Circuit Diagram | Comments | Reading(449)

DZW75-48/50(50II) type rectification module elementary diagram

Published:2011/4/5 21:28:00 Author:may | Keyword: rectification module

DZW75-48/50(50II) type rectification module elementary diagram
The chnical characteristics of DZW75 type series switch rectification module is as following:(1) accuracy of voltage stabilization: <±0.5%(2) noise voltage: ① phone weighted noise voltage <2mV② peak-to-peak value noise voltage <200mV③ broad frequency noise <100mV(3.4kHz~150kHz) <20mV(0.15MHz~30MHz)④ disperse noise <5mV(3.4kHz~150kHz) <3mV(150kHz~200kHz) <2mV(200kHz~500kHz) <lmV(0.5MHz~30MHz)(3) efficiency: >85%(4) power factor: >85%(DZW75-48/50II为99%)(5) Load sharing: ≤±0.5%(6) have the funciton of overvoltage, undervoltage, overcurrent tripping protection, soft start power(7) have interface of remote control, remote signalling, telemeter(8) have operate mode of independent / non-self-work   (View)

View full Circuit Diagram | Comments | Reading(510)

50V suspension regulated voltage power supply with CA723C

Published:2011/3/30 2:20:00 Author:muriel | Keyword: 50V , suspension, regulated voltage power supply

50V suspension regulated voltage power supply with CA723C
  (View)

View full Circuit Diagram | Comments | Reading(608)

CATV amplifier power circuit

Published:2011/3/21 22:43:00 Author:muriel | Keyword: CATV amplifier, power circuit, UC2842AN

CATV amplifier power circuit
The IC is pulse width modulation regulated IC 2 pin is output voltage adjustable regulator feet3 pin is over-current protection feet4 pin is output voltage control feet6 pin is driver output feet7 pin is power and over-voltage protection feet8 pin is regulated control input feet   (View)

View full Circuit Diagram | Comments | Reading(3395)

Atx power supply schematic diagram

Published:2011/3/22 0:44:00 Author:muriel | Keyword: Atx , power supply , schematic diagram

Atx power supply schematic diagram
  (View)

View full Circuit Diagram | Comments | Reading(3987)

6~18V Precision regulated voltage power supply circuit

Published:2011/3/22 22:58:00 Author:muriel | Keyword: 6~18V , regulated voltage power supply

6~18V Precision regulated voltage power supply circuit
  (View)

View full Circuit Diagram | Comments | Reading(805)

6~30V、500mA Regulated voltage power supply circuit

Published:2011/3/22 22:58:00 Author:muriel | Keyword: 6~30V, 500mA, Regulated voltage power supply

6~30V、500mA Regulated voltage power supply circuit
  (View)

View full Circuit Diagram | Comments | Reading(1241)

5V、1A Switch regulated voltage power supply

Published:2011/3/22 22:58:00 Author:muriel | Keyword: 5V, 1A, Switch, regulated voltage power supply

5V、1A Switch regulated voltage power supply
  (View)

View full Circuit Diagram | Comments | Reading(767)

5V/1A AC adapter

Published:2011/3/21 0:44:00 Author:muriel | Keyword: 5V/1A, AC adapter

5V/1A AC adapter
  (View)

View full Circuit Diagram | Comments | Reading(1065)

Pages:2105/2234 At 2021012102210321042105210621072108210921102111211221132114211521162117211821192120Under 20