Position: Home > Circuit Diagram > Index 2228
Low Cost Custom Prototype PCB Manufacturer

Circuit Diagram

Index 2228

20W Fluorescent Lamp Electronic Ballast Circuit Diagram

Published:2011/3/21 1:42:00 Author:Rebrecca | Keyword: 20W Fluorescent lamp, Electronic Ballast

20W Fluorescent Lamp Electronic Ballast Circuit Diagram
The 20W Fluorescent Lamp Electronic Ballast Circuit Diagram is as below.   (View)

View full Circuit Diagram | Comments | Reading(8873)

5V Input, 1.3~3.5V/20A output program-controlled power supply circuit diagram

Published:2011/3/22 2:18:00 Author:Rebekka | Keyword: 5V Input, 1.3~3.5V/20A output , program-controlled , power supply

5V Input, 1.3~3.5V/20A output program-controlled power supply circuit diagram
Oscillation frequency=310kHz; VTl~VT4: FAIRCHILD FDS7760A; Ll~L2: SUMIDA CEP125-1R5M; COUT: PANAS()NIC EEFUEOG181R; VD3, VD4: CMDSH-3TR 5V Input, 1.3~3.5V/20A output program-controlled power supply circuit diagram is shown as below.   (View)

View full Circuit Diagram | Comments | Reading(1562)

Small neon electronic transformer circuit diagram

Published:2011/3/21 1:42:00 Author:Rebrecca | Keyword: Small neon, electronic transformer

Small neon electronic transformer circuit diagram
Small neon electronic transformer circuit diagram is shown as below.   (View)

View full Circuit Diagram | Comments | Reading(6004)

Mobile phone charger circuit diagram

Published:2011/3/21 1:42:00 Author:Rebrecca | Keyword: Mobile phone charger

Mobile phone charger circuit diagram
The mobile phone charger circuit diagram is shown as below.   (View)

View full Circuit Diagram | Comments | Reading(2282)

Car audio power supply DC-DC converter circuit diagram

Published:2011/3/21 1:42:00 Author:Rebrecca | Keyword: Car audio, power supply, DC-DC converter

Car audio power supply DC-DC converter circuit diagram
The car audio power supply DC-DC converter circuit is shown as below.   (View)

View full Circuit Diagram | Comments | Reading(11853)

5V 4W switching regulated DC power supply circuit

Published:2011/3/21 1:42:00 Author:Rebrecca | Keyword: 5V 4W switching, regulated DC, power supply

5V 4W switching regulated DC power supply circuit
The 5V 4W switching regulated DC power supply circuit is shown as below.   (View)

View full Circuit Diagram | Comments | Reading(3575)

13.8V 20A Power Supply Circuit

Published:2011/3/21 1:41:00 Author:Rebrecca | Keyword: 13.8V 20A, Power Supply

13.8V 20A Power Supply Circuit
13.8V 20A power supply circuit diagram is shown as below.   (View)

View full Circuit Diagram | Comments | Reading(7489)

Philips 15a Monitor Power Supply Circuit

Published:2011/3/21 22:45:00 Author:Rebekka | Keyword: Philips , Monitor

Philips 15a Monitor Power Supply Circuit
Philips 15a Monitor Power Supply Circuit isshown as below.   (View)

View full Circuit Diagram | Comments | Reading(1483)

Cadillac deville horn circuit diagram

Published:2011/3/20 22:52:00 Author:Nicole | Keyword: Cadillac, horn

Cadillac deville horn circuit diagram
  (View)

View full Circuit Diagram | Comments | Reading(724)

electromagnetic gas valve drive circuit diagram

Published:2011/3/20 22:52:00 Author:Nicole | Keyword: electromagnetic gas valve drive

electromagnetic gas valve drive circuit diagram
  (View)

View full Circuit Diagram | Comments | Reading(763)

Cadillac deville panel lighting circuit diagram

Published:2011/3/20 22:52:00 Author:Nicole | Keyword: Cadillac, panel lighting

Cadillac deville panel lighting circuit diagram
  (View)

View full Circuit Diagram | Comments | Reading(498)

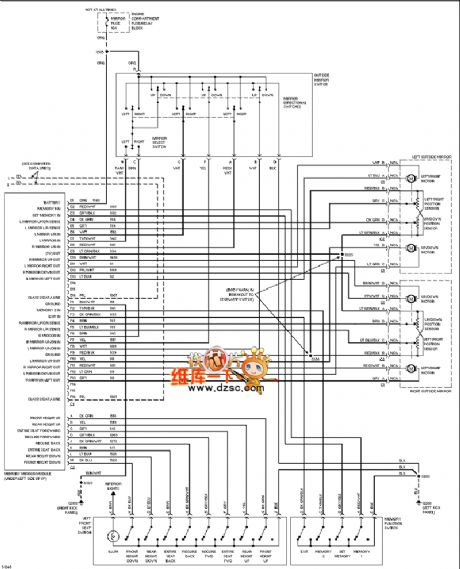
Cadillac deville memory chair rearview mirror circuit diagram 1

Published:2011/3/20 22:51:00 Author:Nicole | Keyword: Cadillac, memory chair rearview mirror

Cadillac deville memory chair rearview mirror circuit diagram 1
  (View)

View full Circuit Diagram | Comments | Reading(519)

Single-Chip Microcomputer Interface and stepper motor drive circuit diagram

Published:2011/3/20 22:51:00 Author:Nicole | Keyword: Single-Chip Microcomputer Interface, stepper motor drive

Single-Chip Microcomputer Interface and stepper motor drive circuit diagram
  (View)

View full Circuit Diagram | Comments | Reading(637)

Cadillac deville memory chair rearview mirror circuit diagram 2

Published:2011/3/20 22:51:00 Author:Nicole | Keyword: Cadillac, memory chair rearview mirror

Cadillac deville memory chair rearview mirror circuit diagram 2
  (View)

View full Circuit Diagram | Comments | Reading(443)

Cadillac deville power distribution circuit diagram 1

Published:2011/3/20 22:51:00 Author:Nicole | Keyword: Cadillac, power distribution

Cadillac deville power distribution circuit diagram 1
  (View)

View full Circuit Diagram | Comments | Reading(654)

Cadillac deville power distribution circuit diagram 2

Published:2011/3/20 22:51:00 Author:Nicole | Keyword: Cadillac, power distribution

Cadillac deville power distribution circuit diagram 2
  (View)

View full Circuit Diagram | Comments | Reading(525)

Cadillac deville power distribution circuit diagram 3

Published:2011/3/20 22:51:00 Author:Nicole | Keyword: Cadillac, power distribution

Cadillac deville power distribution circuit diagram 3
  (View)

View full Circuit Diagram | Comments | Reading(940)

S3924-1024Q drive circuit diagram

Published:2011/3/20 22:50:00 Author: | Keyword: S3924-1024Q

S3924-1024Q drive circuit diagram
  (View)

View full Circuit Diagram | Comments | Reading(438)

Power device drive circuit diagram

Published:2011/3/20 22:50:00 Author: | Keyword: Power device drive

Power device drive circuit diagram
  (View)

View full Circuit Diagram | Comments | Reading(465)

Temperature Control-driven circuit diagram

Published:2011/3/20 22:50:00 Author:Nicole | Keyword: Temperature Control-driven

Temperature Control-driven circuit diagram
  (View)

View full Circuit Diagram | Comments | Reading(664)

Pages:2228/2234 At 2022212222222322242225222622272228222922302231223222332234