Position: Home > Circuit Diagram > Index 2232
Low Cost Custom Prototype PCB Manufacturer

Circuit Diagram

Index 2232

Useful Complementary Symmetry Power Amplifier Circuit Diagram

Published:2011/3/21 1:40:00 Author:Joan | Keyword: Complementary Symmetry Power Amplifier, Power Amplifier

Useful Complementary Symmetry Power Amplifier Circuit Diagram
  (View)

View full Circuit Diagram | Comments | Reading(1857)

Single-supply complementary symmetrical power amplifier Circuit Diagram

Published:2011/3/21 1:41:00 Author:Joan | Keyword: complementary symmetrical power amplifier, Single-supply power amplifier

Single-supply complementary symmetrical power amplifier Circuit Diagram
  (View)

View full Circuit Diagram | Comments | Reading(1998)

Class AB Complementary Symmetry Power Amplifier Circuit Diagram

Published:2011/3/21 1:40:00 Author:Joan | Keyword: Complementary Symmetry Power Amplifier, Power Amplifier, Class AB Power Amplifier

Class AB Complementary Symmetry Power Amplifier Circuit Diagram
  (View)

View full Circuit Diagram | Comments | Reading(2954)

Transformer Output Power Amplifier Circuit Diagram

Published:2011/3/21 1:34:00 Author:Joan | Keyword: Power Amplifier, Transformer Output

Transformer Output Power Amplifier Circuit Diagram
  (View)

View full Circuit Diagram | Comments | Reading(894)

-9v Recorder steady speed power supply circuit diagram

Published:2011/3/21 1:50:00 Author:Rebrecca | Keyword: Recorder, steady speed , power supply

-9v Recorder steady speed power supply circuit diagram
  (View)

View full Circuit Diagram | Comments | Reading(596)

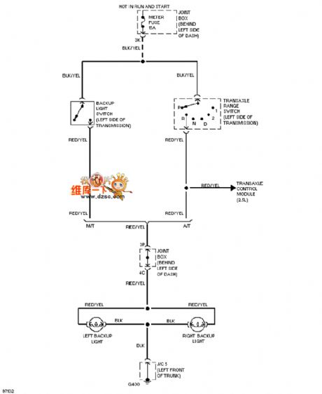
Mazda 626 backup light circuit diagram

Published:2011/3/20 22:44:00 Author:Nicole | Keyword: Mazda 626, backup light

Mazda 626 backup light circuit diagram
  (View)

View full Circuit Diagram | Comments | Reading(876)

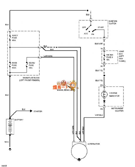
Mazda 626 charge system circuit diagram 1

Published:2011/3/20 22:44:00 Author:Nicole | Keyword: charge system, Mazda 626

Mazda 626 charge system circuit diagram 1
  (View)

View full Circuit Diagram | Comments | Reading(456)

EXB840 drive circuit diagram

Published:2011/3/20 22:44:00 Author:Nicole | Keyword: drive

EXB840 drive circuit diagram
  (View)

View full Circuit Diagram | Comments | Reading(879)

Mazda 626 charge system circuit diagram 2

Published:2011/3/20 22:44:00 Author:Nicole | Keyword: Mazda 626, charge system

Mazda 626 charge system circuit diagram 2
  (View)

View full Circuit Diagram | Comments | Reading(1168)

3 square inch EL light drive circuit diagram

Published:2011/3/20 22:44:00 Author:Nicole | Keyword: 3 square inch EL light, EL light drive

3 square inch EL light drive circuit diagram
  (View)

View full Circuit Diagram | Comments | Reading(779)

Mazda 626 cruise control circuit diagram

Published:2011/3/20 22:44:00 Author:Nicole | Keyword: Mazda 626, cruise control

Mazda 626 cruise control circuit diagram
  (View)

View full Circuit Diagram | Comments | Reading(1625)

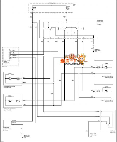
Mazda 626 door lock Circuit Diagram

Published:2011/3/20 22:44:00 Author:Nicole | Keyword: Mazda 626, door lock

Mazda 626 door lock Circuit Diagram
  (View)

View full Circuit Diagram | Comments | Reading(1729)

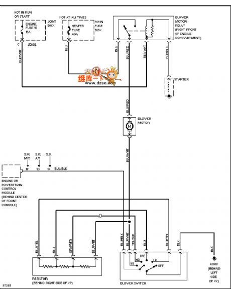
Mazda 626 Heater Circuit Diagram 1

Published:2011/3/20 22:43:00 Author:Nicole | Keyword: Mazda 626, Heater

Mazda 626 Heater Circuit Diagram 1
  (View)

View full Circuit Diagram | Comments | Reading(641)

Mazda 626 Heater Circuit Diagram 2

Published:2011/3/20 22:43:00 Author:Nicole | Keyword: Mazda 626, Heater

Mazda 626 Heater Circuit Diagram 2
  (View)

View full Circuit Diagram | Comments | Reading(664)

Mazda 626 Instrument Board Circuit Diagram 1

Published:2011/3/20 22:43:00 Author:Nicole | Keyword: Mazda 626, Instrument Board

Mazda 626 Instrument Board Circuit Diagram 1
  (View)

View full Circuit Diagram | Comments | Reading(643)

Mazda 626 Instrument Board Circuit Diagram 2

Published:2011/3/20 22:43:00 Author:Nicole | Keyword: Mazda 626, Instrument Board

Mazda 626 Instrument Board Circuit Diagram 2
  (View)

View full Circuit Diagram | Comments | Reading(488)

Mazda 626 Remote Control Circuit Diagram

Published:2011/3/20 22:43:00 Author:Nicole | Keyword: Mazda 626, Remote Control

Mazda 626 Remote Control Circuit Diagram
  (View)

View full Circuit Diagram | Comments | Reading(820)

Single Pixel Drive Circuit Diagram

Published:2011/3/20 22:42:00 Author:Nicole | Keyword: Single Pixel Drive

Single Pixel Drive Circuit Diagram
  (View)

View full Circuit Diagram | Comments | Reading(434)

Electric Power Carrier Equipment Drive Circuit Diagram

Published:2011/3/20 22:42:00 Author:Nicole | Keyword: Electric Power Carrier Equipment

Electric Power Carrier Equipment Drive Circuit Diagram
  (View)

View full Circuit Diagram | Comments | Reading(688)

1.5V Precision regulated power supply circuit

Published:2011/3/20 22:56:00 Author:muriel | Keyword: regulated power, 1.5V

1.5V Precision regulated power supply circuit
  (View)

View full Circuit Diagram | Comments | Reading(768)

Pages:2232/2234 At 2022212222222322242225222622272228222922302231223222332234