Position: Home > Circuit Diagram > Index 397
Low Cost Custom Prototype PCB Manufacturer

Circuit Diagram

Index 397

The power circuit of CASPER 1489 monochrome monitor

Published:2011/12/7 20:32:00 Author:Ecco | Keyword: power, CASPER , monochrome monitor

The power circuit of CASPER 1489 monochrome monitor
  (View)

View full Circuit Diagram | Comments | Reading(1244)

CASPER TM-5154HY multi -frequency color monitor power circuit diagram

Published:2011/12/7 2:15:00 Author:Ecco | Keyword: CASPER , multi -frequency, color monitor, power


  (View)

View full Circuit Diagram | Comments | Reading(639)

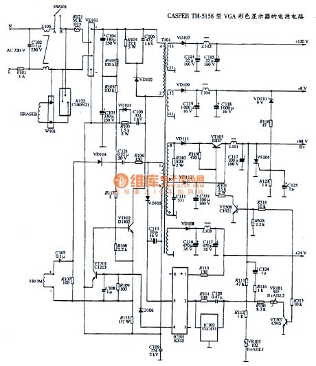
CASPER TM-5158 multi -frequency color monitor power circuit diagram

Published:2011/12/7 2:16:00 Author:Ecco | Keyword: CASPER, multi -frequency, color monitor, power

CASPER TM-5158 multi -frequency color monitor power circuit diagram
  (View)

View full Circuit Diagram | Comments | Reading(1189)

The power circuit diagram of CASPER TM-5154H multi -frequency color monitor

Published:2011/12/7 2:17:00 Author:Ecco | Keyword: power , CASPER , multi -frequency , color monitor

The power circuit diagram of CASPER TM-5154H multi -frequency color monitor
  (View)

View full Circuit Diagram | Comments | Reading(985)

The power circuit of COMPAQ 460461 VGA multi-frequency color monitor

Published:2011/12/7 20:30:00 Author:Ecco | Keyword: power circuit, COMPAQ, VGA , multi-frequency , color monitor

The power circuit of COMPAQ 460461 VGA multi-frequency color monitor
  (View)

View full Circuit Diagram | Comments | Reading(1215)

The power circuit of AST-1401 VGA color display

Published:2011/12/7 20:36:00 Author:Ecco | Keyword: power circuit, VGA , color display

The power circuit of AST-1401 VGA color display
  (View)

View full Circuit Diagram | Comments | Reading(760)

The power circuit of AST-TE1498 multi-frequency color monitor

Published:2011/12/7 20:44:00 Author:Ecco | Keyword: power circuit , multi-frequency color monitor

The power circuit of AST-TE1498 multi-frequency color monitor
  (View)

View full Circuit Diagram | Comments | Reading(796)

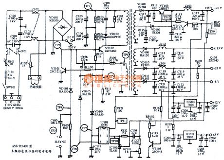
The power circuit of AST-TE1438 EGA color monitor

Published:2011/12/7 20:45:00 Author:Ecco | Keyword: power circuit , EGA , color monitor

The power circuit of AST-TE1438 EGA color monitor
  (View)

View full Circuit Diagram | Comments | Reading(871)

JJ2B-5.57.5 variable voltage start-up circuit

Published:2011/12/7 2:07:00 Author:Ecco | Keyword: variable voltage, start-up circuit

JJ2B-5.57.5 variable voltage start-up circuit
  (View)

View full Circuit Diagram | Comments | Reading(629)

Double-button touching light switching circuit ( 1 )

Published:2011/12/8 1:21:00 Author:Ecco | Keyword: Double-button , touching light , switching circuit

Double-button touching light switching circuit ( 1 )
Double-button touching light switching circuit is shown as the chart, it is mainlycomposed ofthe transistor switch circuit , relay control circuit and power circuit.   (View)

View full Circuit Diagram | Comments | Reading(731)

Pyroelectric infrared induction automatic lamp circuit 4(CS9803GP)

Published:2011/11/3 3:26:00 Author:Ecco | Keyword: Pyroelectric, infrared induction, automatic lamp

Pyroelectric infrared induction automatic lamp circuit 4(CS9803GP)
  (View)

View full Circuit Diagram | Comments | Reading(2277)

Dual-use sound control light switch circuit (SK-II)

Published:2011/12/8 1:28:00 Author:Ecco | Keyword: Dual-use , sound control , light switch

Dual-use sound control light switch circuit (SK-II)
The dual-use sound control light switch circuitusing SK-Ⅱ sound control integrated circuit is shown as the chart,and ithas delayedand bistable working modes.   (View)

View full Circuit Diagram | Comments | Reading(1105)

Acousto-optic control stairs delay switch circuit with discrete components( 3 )

Published:2011/12/8 1:10:00 Author:Ecco | Keyword: Acousto-optic control , stairs , delay switch , discrete components

Acousto-optic control stairs delay switch circuit with discrete components( 3 )
  (View)

View full Circuit Diagram | Comments | Reading(666)

Stereo balance indicator circuit

Published:2011/12/8 1:10:00 Author:Ecco | Keyword: Stereo, balance indicator

Stereo balance indicator circuit
  (View)

View full Circuit Diagram | Comments | Reading(1196)

The thyristor dimmer light circuit with stabilizing light function( 3 )

Published:2011/12/8 1:13:00 Author:Ecco | Keyword: thyristor , dimmer light , stabilizing light function

The thyristor dimmer light circuit with stabilizing light function( 3 )
  (View)

View full Circuit Diagram | Comments | Reading(2047)

The thyristor dimmer light circuit with stabilizing light function( 2 )

Published:2011/12/8 1:15:00 Author:Ecco | Keyword: thyristor , dimmer light , stabilizing light function

The thyristor dimmer light circuit with stabilizing light function( 2 )
  (View)

View full Circuit Diagram | Comments | Reading(1238)

Astable circuit with adjustable pulse width

Published:2011/10/18 22:02:00 Author:Ecco | Keyword: Astable circuit , adjustable pulse width

Astable circuit with adjustable pulse width
  (View)

View full Circuit Diagram | Comments | Reading(598)

Astable circuit with stable temperature compensation frequency

Published:2011/10/18 21:45:00 Author:Ecco | Keyword: Astable circuit, stable , temperature compensation frequency

Astable circuit with stable temperature compensation frequency
  (View)

View full Circuit Diagram | Comments | Reading(619)

Astable circuit with stable amplitude

Published:2011/10/18 21:46:00 Author:Ecco | Keyword: Astable circuit , stable amplitude

Astable circuit with stable amplitude
  (View)

View full Circuit Diagram | Comments | Reading(784)

Self-bias monostable circuit

Published:2011/10/18 22:01:00 Author:Ecco | Keyword: Self-bias monostable

Self-bias monostable circuit
  (View)

View full Circuit Diagram | Comments | Reading(768)

Pages:397/2234 At 20381382383384385386387388389390391392393394395396397398399400Under 20