Published:2009/7/6 1:48:00 Author:May | From:SeekIC

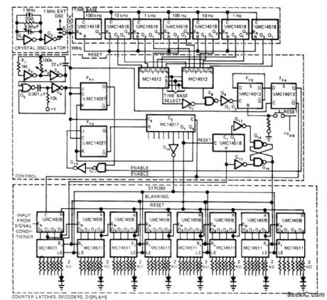
Portable counter is designed with low-power logic to minimize battery drain, yet provides good performance.Since most of milliwatt power drain is taken by digital readout, circuit blanks out LED display when there is no input signal. Time base divides 1-MHz crystal oscillator frequency down to desired enable time, up to tOs, using 31/2 MC14518 dual decade counters connected in ripple-through mode. Actual counting of input signal codes is also done with MC14518 counters.Latches and BCD to 7-segment decoders use MC14511s. Enable line tums first counter on and off for precise enable time period. Strobe line transfers count into memory of MC14511 latch decoder, and control line resets MC14518 decade counters for next count cycle. Displays are Monsanto MAN-4 LEDs. Article traces circuit operation in detail and gives timing diagram.-D. Aldridge, CMOS Counter Circuitry Slashes Battery Power Requirements, EDN Magazine, Oct. 20, 1974, p 65-71.
Reprinted Url Of This Article:
http://www.seekic.com/circuit_diagram/measuring_and_test_circuit/12_v_5_mhz_counter.html
Print this Page | Comments | Reading(3)
Code: