Published:2009/6/19 1:42:00 Author:May | From:SeekIC

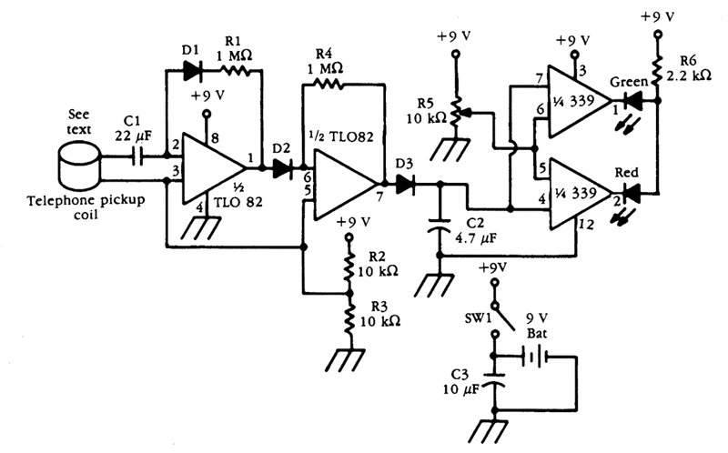
A telephone pick-up coil is used as a sensor for low-frequency magnetic fields. The signal is amplified and detected, then used to drive a comparator.
Reprinted Url Of This Article:
http://www.seekic.com/circuit_diagram/measuring_and_test_circuit/elf_monitor.html
Print this Page | Comments | Reading(3)
Code: