Published:2012/9/16 21:26:00 Author:Ecco | Keyword: LED, VU Meter | From:SeekIC

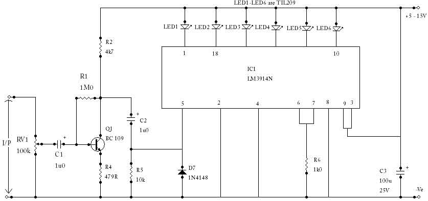
The circuit is based on an LM3914N bar graph display driver device (IC1), which can be used to drive up to ten LEDs. This is connected so that with OV12 at the input only the first LED indicator switches on. This simple peak reading VU meter circuit uses six LEDs to indi-cate six signal levels at 14, 8, 3, 0, +3, and +6dB, or any other levels having the same spacing (e.g. 17, 11, 6, 3, 0, and +3dB, if preferred). About 24mV peak to peak is needed in order to activate the highest LED indicator, so the circuit is sufficiently sensi-tive to be used with any normal item of audio equipment.
Reprinted Url Of This Article:
http://www.seekic.com/circuit_diagram/measuring_and_test_circuit/led_vu_meter_with_lm3914n.html
Print this Page | Comments | Reading(3)
Code: