Published:2009/7/15 2:56:00 Author:Jessie | From:SeekIC

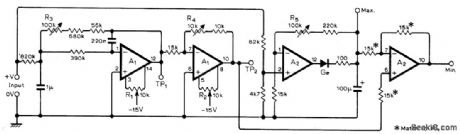
Used in data-logging systems to measure, limits of waveform superimposed on DC level. Requires two LM747CN (dual 741) ICs. Measurements are made with conventional DC voltmeter. Input signal is fed to precision peak detector A1. Same signal goes through active low-pass filter and inversion amplifier whose output at TP2 is the mean value. Differential amplifier A2 subtracts maximum from mean to give minimum value of input. For setup, short input and adjust R1 for 0 V at TP1, adjust R2 for 0 V at TP2, then apply +5 V to input and adjust R3 for+5 V at TP, adjust R4 for-5 V at TP2, and adjust R5 for +5V at Max. output terminal. –K. R. Brooks, Peak and Trough Detector, Wireless World, Feb. 1977, P 45.
Reprinted Url Of This Article:
http://www.seekic.com/circuit_diagram/measuring_and_test_circuit/waveform_peaks_and_troughs.html
Print this Page | Comments | Reading(3)
Code: