Published:2011/3/21 1:43:00 Author:Rebrecca | Keyword: Pressure switch
Pressure switch fixed power supply circuit diagram is shown as below.
(View)
View full Circuit Diagram | Comments | Reading(802)
Published:2011/3/21 1:43:00 Author:Rebrecca | Keyword: Single-ended switching, fixed power supply
Single-ended switching fixed power supply circuit diagram is shown as below.
(View)
View full Circuit Diagram | Comments | Reading(663)
Published:2011/3/21 1:43:00 Author:Iris zhang | Keyword: Superposition of 2 CW200, integrated power supply
View full Circuit Diagram | Comments | Reading(539)
Published:2011/3/21 1:42:00 Author:Iris zhang | Keyword: power supply, a variety of protection
View full Circuit Diagram | Comments | Reading(561)
Published:2011/3/21 1:42:00 Author:Iris zhang | Keyword: positive and negative regulator, power supply circuit, Adjustable
View full Circuit Diagram | Comments | Reading(679)
Published:2011/3/21 1:41:00 Author:Iris zhang | Keyword: dual track power supply, power supply
View full Circuit Diagram | Comments | Reading(652)
Published:2011/3/21 1:40:00 Author:Iris zhang | Keyword: dual power, positive and negative, Symmetric


In the imported electronic equipment, you can often see a diagram with positive and negative power, supply power to the op amp circuit manifold. Features: 1. Convenient to make or select the power transformer, the secondary winding of the transformer needs no center tap. 2. Positive and negative power supply voltage symmetry. 3. Energy utilization is higher. 4. Structure is simple. Practice has proved that: the power transformer under the premise of sufficient power capacity, appropriate to increase capacitance and the transformer secondary winding wire, the circuit can also be used for low-power audio amplifier for the positive and negative symmetrical dual supply.
(View)
View full Circuit Diagram | Comments | Reading(1363)
Published:2011/3/21 1:40:00 Author:Iris zhang | Keyword: high-frequency transformer, coil winding, switching power supply, 1000W transformer, dual group, feedback group
Introduction high-frequency transformer coil winding switching power supply 1000W transformer dual group have feedback group (View)
View full Circuit Diagram | Comments | Reading(529)
Published:2011/3/21 1:40:00 Author:Iris zhang | Keyword: high-frequency transformer, coil winding, switching power supply, 12W transformer, dual group, feedback group
Introduction high-frequency transformer coil winding switching power supply 12W transformer dual group have feedback group (View)
View full Circuit Diagram | Comments | Reading(423)
Published:2011/3/21 1:40:00 Author:Iris zhang | Keyword: high-frequency transformer, coil winding, switching power supply, 900W-120KHz transformer, dual group, feedback group
Introduction high-frequency transformer coil winding switching power supply 900W-120KHz transformer dual group have feedback group (View)
View full Circuit Diagram | Comments | Reading(491)
Published:2011/3/21 1:40:00 Author:Iris zhang | Keyword: Kingtiger, digital satellite TV , receiver, power supply circuits,
Kingtiger KT-D8320 digital satellite TV receiver power supply circuits (View)
View full Circuit Diagram | Comments | Reading(590)
Published:2011/3/21 1:39:00 Author:Iris zhang | Keyword: digital satellite TV, receiver, power supply circuits
jindian JBS-627/JBS-627 digital satellite TV receiver power supply circuits (View)
View full Circuit Diagram | Comments | Reading(596)
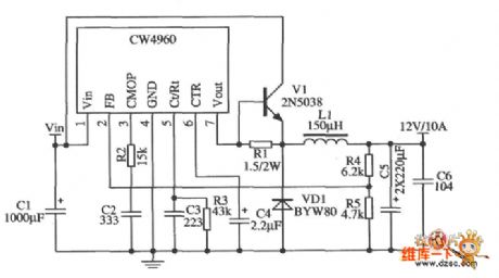
Published:2011/3/21 1:44:00 Author:Rebrecca | Keyword: Switching Regulators
5V、5A Switching Regulators Power Circuit Diagram is shown as below.
(View)
View full Circuit Diagram | Comments | Reading(1446)
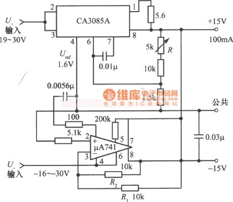
Published:2011/3/21 1:44:00 Author:Rebrecca | Keyword: Tracking Regulator
±15V Tracking Regulator Power Supply Circuit Diagram Six is shown as below.
(View)
View full Circuit Diagram | Comments | Reading(725)
Published:2011/3/24 0:40:00 Author:Nicole | Keyword: converter, switching power supply
Single-ended flyback power converter switching power supply is not composed only by a transistor, the single-ended converter switching power supply also can be made of two transistors. The fundamental difference between Single-ended flyback switching power supply and the push-pull, full bridge, half-double-ended converter switching power supply is that the core of high-frequency transformer only work on one side of its hysteresis loop. The schematic of atypical single-ended flyback converter switching power supply as shown. The so-called single-ended, that means the core of converting circuit only work on one side of its hysteresis loop. The so-called flyback, that means when the transistor turns on, the energy stored in the primary induction coil, when the transistor is off, the energy stored in the primary coil will release to the load through the secondary coil. When the switching tube VT1 was motivated to turn on, the input voltage Ui will be applied to the primary winding N1 of high-frequency transformer T1. Due to the secondary rectifier diodes VD of transformer T1 was reversed, so there is no current flow on the secondary winding N2. When VT1 end, the voltage of winding N2 was polarity reversed, VD was positively skewed, the energy during VTl turns on stored in T1 will released through VD load.
(View)
View full Circuit Diagram | Comments | Reading(3687)
Published:2011/3/23 22:32:00 Author:Nicole | Keyword: 52W switching power supply
15V/3.5A 52W switching power supply circuit composed of MC33374T/TV as shown. The allowed range of AC input voltage is 92 ~ 276V. Rectifier bridge VD1 ~ VD4 use four 1N5406 3A/600V silicon rectifier tubes. Primary protection circuit is composed of RC absorber circuit (R2, C2) and the clamp circuit (VDz, VD5), it can effectively suppress the peak voltage due to the leakage of high-frequency transformer, to protect the internal power switch of MC33374 from damaged. VDz adopts P6KE200A transient voltage to suppress the diode(TVS), then the reverse breakdown voltage UB = 200V. VD5 uses MURl60 super fast recovery diode (SRD). Note, the serial number of RC R1, C3 in the figure is vacant, according to the need, it can turn the series circuit of R2, C2 into the R1 (20kΩ, 2W) and C3 (0.1μF, 400V) in parallel and then serial ultrafast recovery diode, formed R, C, VD protection circuit.
C5 is the bypass capacitor of Vcc side. S for control switching power supply, the key of on/of. After in series with R7 S, it can improve the reliability of mode conversion. VD6 and C6 form the high-frequency rectifier filter of the feedback coil output. Secondary high-frequency rectifier uses Schottky diode with high current, low voltage the model is MBR20100CT (20A/100V). The tube is common cathode, the two negative electrodes (cathode) are short circuited interiorly, it needs the two positive(anode) connected in parallel externally. C8, C11, L, C12 and C13 form the output filter circuit. In view of the inductance of filter inductance L is small, only 5.0μH, and large-capacity filter capacitors C8, Cl1 have equivalent inductance Lo, it will directly affect the actual inductance from L into L + Lo, so it should take the voice φ0.55mm enamelled wire with 7-turn around the feeder ring N3, and around the middle of the frame, to reduce leakage; also should around two layers of polyester film. The model of ferrite core is E25. In order to prevent saturated magnetization, it should stay out of the air gap of 0.43mm between the two E-shaped cores.
(View)
View full Circuit Diagram | Comments | Reading(4614)
Published:2011/3/24 4:03:00 Author:Nicole | Keyword: driven diode
View full Circuit Diagram | Comments | Reading(638)
Published:2011/3/22 2:25:00 Author:Nicole | Keyword: switching power supply
View full Circuit Diagram | Comments | Reading(790)
Published:2011/3/22 2:24:00 Author:Nicole | Keyword: Skyworth, switching power supply
View full Circuit Diagram | Comments | Reading(2005)
Published:2011/3/24 3:53:00 Author:Nicole | Keyword: output current
View full Circuit Diagram | Comments | Reading(780)
| Pages:284/291 At 20281282283284285286287288289290291 |