Published:2011/6/6 23:44:00 Author:John | Keyword: dual-frequency monitor
CTX C2-type dual-frequency monitor power supply circuit is shown below.
(View)
View full Circuit Diagram | Comments | Reading(733)
Published:2011/6/3 20:10:00 Author:chopper | Keyword: automobile, battery charger
There is a automobile battery charger of adjustable type.The charging voltage between 6V and 50V is adjustable,and the maximum charge current can reach 20A.It applies to automobile battery charger of different type,such as 12V,24V,36V and so on.
(View)
View full Circuit Diagram | Comments | Reading(5531)
Published:2011/6/3 20:04:00 Author:chopper | Keyword: Automatic charger
View full Circuit Diagram | Comments | Reading(1064)
Published:2011/6/3 9:40:00 Author:chopper | Keyword: fluorescent ligh, energy-saving, in emergency, power supply
View full Circuit Diagram | Comments | Reading(738)
Published:2011/6/3 19:57:00 Author:chopper | Keyword: high voltage supply, neon light
View full Circuit Diagram | Comments | Reading(824)
Published:2011/6/7 0:26:00 Author:John | Keyword: EGA monitor
EGA monitor CTX-C146 power supply circuit is shown below.
(View)
View full Circuit Diagram | Comments | Reading(1221)
Published:2011/6/5 4:35:00 Author:John | Keyword: color display
IBM 2110-002 type SVGA color display power supply circuit is shown below.
(View)
View full Circuit Diagram | Comments | Reading(871)
Published:2011/6/5 4:48:00 Author:John | Keyword: double-sheet photosensitive circuit
In the figure, 6.3V of the transformer is used to power indicator and 2.5V of the transformer is used for polymer optical beads. When light exposure of 3DU13 is not blocked, the current can up to 8.5mA. When there is a piece of paper blocks the light, the current is only 5 ~ 6mA. But the relay is still working at this time. When there are 2 sheets of paper blocks the light, the current is only 3 ~ 4mA. And the relay stops working. Utilize this principle to control pharmaceutical printing by working with a single paper. Mechanical action by the relay can drive iron absorption switch of 5kg to take a series of mechanical motion control or to connect alarms to the police. (View)
View full Circuit Diagram | Comments | Reading(615)
Published:2011/6/5 4:52:00 Author:John | Keyword: color display
SVGA multi-frequency LYMIC 214S type color display power supply circuit is shown in the following.
(View)
View full Circuit Diagram | Comments | Reading(784)
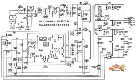
Published:2011/6/5 4:55:00 Author:John | Keyword: multi-frequency TTL color display


VGA and NEC JC-1404HMN-1 type multi-frequency TTL color display power supply circuit is shown below.
(View)
View full Circuit Diagram | Comments | Reading(632)
Published:2011/6/5 9:40:00 Author:John | Keyword: multi-frequency color display
VGA multi-frequency color display GREAT WALL GW-140140H type power supply circuit is shown below.
(View)
View full Circuit Diagram | Comments | Reading(586)
Published:2011/6/5 4:34:00 Author:John | Keyword: color display
Color display SAMPO KDS-1342E type power supply circuit is shown below.
(View)
View full Circuit Diagram | Comments | Reading(725)
Published:2011/6/5 4:33:00 Author:John | Keyword: color display


Color display IBM PC-I type power supply circuit is shown below.
(View)
View full Circuit Diagram | Comments | Reading(1249)
Published:2011/6/5 4:21:00 Author:John | Keyword: color display
VGA color display PGS MC1401 type power supply circuit is shown below.
(View)
View full Circuit Diagram | Comments | Reading(705)
Published:2011/6/5 4:18:00 Author:John | Keyword: monochrome display
CGA NEC JB-1410P2B type monochrome display power supply circuit is shown below.
(View)
View full Circuit Diagram | Comments | Reading(677)
Published:2011/6/5 4:15:00 Author:John | Keyword: color display
Color display SAMPO KOS-1429 type power supply circuit is shown below.
(View)
View full Circuit Diagram | Comments | Reading(695)
Published:2011/6/2 6:48:00 Author:Seven | Keyword: charging circuit
(a) for the positive connection, AC power supply charges in positive half-circles
(b) for the negative connection, AC power supply charges in negative half-circles
(View)
View full Circuit Diagram | Comments | Reading(664)
Published:2011/6/2 6:41:00 Author:Seven | Keyword: 3-phase, voltage regulation
View full Circuit Diagram | Comments | Reading(925)
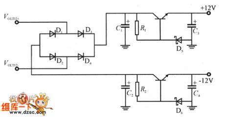
Published:2011/5/30 4:23:00 Author:Lucas | Keyword: ± 12V , voltage conversion
View full Circuit Diagram | Comments | Reading(675)
Published:2011/6/1 19:47:00 Author:Lucas | Keyword: DC , voltage-stabilizing
The DC voltage-stabilizing circuit in the power supply system is shown as the figure, 170V AC voltage is one-way bridge rectified by KC403, then filtered by the second order II type network, and then it will output 170V DC voltage. The data is uploaded by the 170V DC cable. In order to prevent interference from following circuit on the front-end circuit, each diode in 170V rectifier bridge is connected a 0.1μF capacitor in parallel, in addition, these capacitors can be well absorbed the switching noise from diode. In the power filter circuit, the capacitor voltage value is generally 2 times of the input voltage, and capacitance is relatively large, so that the AC component is filtered out easier, the output voltage is smoother.
(View)
View full Circuit Diagram | Comments | Reading(990)
| Pages:221/291 At 20221222223224225226227228229230231232233234235236237238239240Under 20 |