About SeekIC | Services | Payment | Advertisements service | Contact Us | Links
© 2008-2012 SeekIC.com Corp.All Rights Reserved.
Published:2011/7/1 5:53:00 Author:Fiona | Keyword: Internal telephone | From:SeekIC

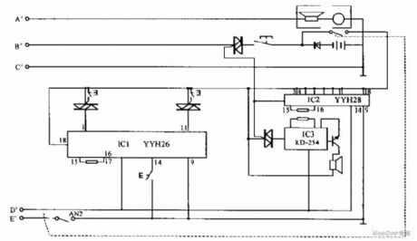
Internal telephone circuit is shown as below,improving slightly a toy telephone will become a variable practical internal telephone. This phone is compose of the phone component,decoding circuit,ringing circuit and other components. Using more than two the same device parameters telephone connected by wire can constitute internal telephone.
Reprinted Url Of This Article:
http://www.seekic.com/circuit_diagram/signal_processing/function_signal_generator/internal_telephone_circuit.html
Print this Page | Comments | Reading(3)
Response in 12 hours
© 2008-2012 SeekIC.com Corp.All Rights Reserved.
Code: