© 2008-2012 SeekIC.com Corp.All Rights Reserved.
Published:2011/9/9 7:56:00 Author:Vicky | Keyword: tunnel diode pulse circuit
Volt-ampere characteristics and parameter of tunnel diode
Volt-ampere characteristics of tunnel diode (see picture a) is a S pattern curve. The highest current point P in the curve is called the peak; the lowest current point V is called valley point. The main parameters of the tunnel diode are:
(1) Peak point voltage Up is about dozens of millivolt; valley point voltage Uv is about hundreds of millivolt.
(2) Peak point current Ipi is about several milliampere; valley point voltage Iv is about hundreds of microampere.
(3) Proportion of peak point current and valley point current is about 5-6; the higher, the better.
(4) Valley point capacitance Cv of from several microfarad to dozens of microfarad, and the lower, the better; 2BS4A made in China: Up=80 millivolt, Ip = 4 milliampere, valley point current proportion ≥5, Cv = 10~15 microfarad, Uv = 280 millivolt. (View)
View full Circuit Diagram | Comments | Reading(1422)
Published:2011/5/17 4:01:00 Author:Ecco | Keyword: Pulse, pulse train , generator
Pulse and pulse train generator is mainly composed of a CD4093 four - two input terminals Schmitt trigger and a button switch. When people press the button, the circuit outputs a single pulse, when people press the button for a period of time, the circuit will output the pulse train. The circuit is shown as the chart. The circuit consists of push button switch, input control circuit, pulse oscillator and pulse output circuit.
(View)
View full Circuit Diagram | Comments | Reading(2604)
Published:2011/6/20 8:29:00 Author:Lucas | Keyword: Simple , seconds, pulse generator
View full Circuit Diagram | Comments | Reading(2492)
Published:2011/6/20 8:30:00 Author:Lucas | Keyword: Precise , second, pulse signal, generator
View full Circuit Diagram | Comments | Reading(670)
Published:2011/6/16 5:47:00 Author:Lucas | Keyword: High-voltage, pulse generator
The circuit is shown as the chart, it uses the 6V ~ 12V DC power supply to produce high-voltage pulse. In the circuit, the transistors VTl, VT2 constitute an oscillator to produce a DC pulse voltage with the frequency in 3Hz, and it has the primary coil of booster with the output transformer ratio in 6V: 240V, and after each pulse ends, the secondary coil of corresponding transformer will generate a high voltage level. Pulse repetition frequency can be selected by adjusting C2, Rl. When the circuit is used in the baton, it can use lead-acid batteries.
(View)
View full Circuit Diagram | Comments | Reading(51)
Published:2011/5/6 6:34:00 Author:Robert | Keyword: Pulse Signal Generator
The Simple Pulse Signal Generator Circuit Composed Of 74LS00 is shown in the picture below. This Signal Generator uses mainly two TTL integrated circuit (74LS00) to generate t=4us pulse signal. Its components used is just a few so that it is easy foradjustment andmaintenance.
(View)
View full Circuit Diagram | Comments | Reading(1810)
Published:2011/4/18 20:16:00 Author:Ecco | Keyword: logic pulse generator
Logic pulse generator can transport either positive or negtive logic pulse according to the need, the circuit is as shown. The circuit consists of a four - two input NAND gate CD4011, of which the door Dl, D2 form a RS trigger pulse, D3, D4 are used as inverters. It isolates the output of D1 and then drives a light-emitting diode after reversing, it is used to indicate the logic state of the output pulse.
(View)
View full Circuit Diagram | Comments | Reading(2680)
Published:2011/3/23 20:35:00 Author:may | Keyword: pulse generator
Pulse frequency depends on the size of the capacitance C, according to need can use 0.1uF or other value. 12KΩ resistance is load resistor required by operational amplifier open collector.
(View)
View full Circuit Diagram | Comments | Reading(1577)
Published:2011/4/26 5:52:00 Author:Robert | Keyword: Pulse-Pulse Series Generator


Pulse-Pulse Series Generator Circuit Composed Of CD4093,MC14093 is shown below:
(View)
View full Circuit Diagram | Comments | Reading(2286)
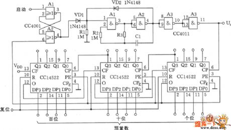
Published:2011/4/19 4:37:00 Author:Ecco | Keyword: 3-1 , count down circuit
In digital circuits, sometimes it needs pulse a divider circuit which could minus a few input pulse. The appropriate combination ofCD4013 and feedback door can achieve any pulse subtraction circuit. Figure 3-1 shows 3-1 count down circuit composed of CD4013.
(View)
View full Circuit Diagram | Comments | Reading(1945)
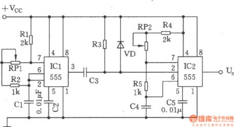
Published:2011/4/18 21:10:00 Author:Ecco | Keyword: Pulse signal source , independently , adjustable, frequency , pulse


When general pulse generator adjust its oscillation frequency, the signal pulse width is also changed. Conversely, when it needs to change the pulse width, the oscillation frequency is changed. The circuit can make the pulse width and frequency be adjusted separately, they are independent from each other. The circuit shows in Fig.
(View)
View full Circuit Diagram | Comments | Reading(1365)
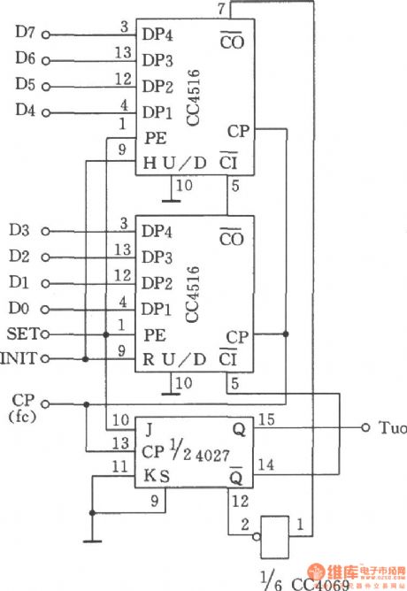
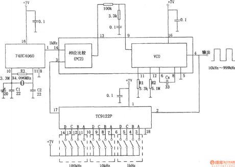
Published:2011/4/13 2:38:00 Author:Ecco | Keyword: PLL , pulse generator
The PLL pulse generator is shown as the chart. The circuit is the phase-locked loop (PLL) pulse generator circuit. PLL makes a fractional frequency to crystal oscillator and gets 1kHz stepped frequency signal, moreover, it obtains 10kHz 999kHz pulse waveform on the output terminal. The manifold block 74HC4060 is a type of integrated chip with NOT gate and 1/2n frequency dividing circuit inside, among them, the NOT gate and the crystal oscillator with 4.096MHz form a oscillator circuit, and the frequency dividing circuit gets lkHz reference frequency signal by it.TC9122P is a high-speed programmable counter and its dividing ratio is decided by the BCD code, the programming data make the frequency ratio range be in 8 to 999, the circuit operates under the dividing ratio between 10 and 999. There are 3 types of phase comparator in 74HC4060, and the phase comparator PC2 can compare the output frequency with the positive edge of reference frequency, and get their feedback. The oscillation frequency of VC0 is decided by Cx, R1 and R2.
(View)
View full Circuit Diagram | Comments | Reading(5865)
Published:2011/4/13 2:15:00 Author:Ecco | Keyword: pulse generator w, adjustable duty cycle , adjustable frequency
View full Circuit Diagram | Comments | Reading(3254)
Published:2011/4/13 2:14:00 Author:Ecco | Keyword: Pulse width, controllable , pulse generator
View full Circuit Diagram | Comments | Reading(693)
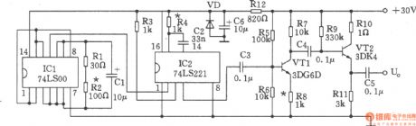
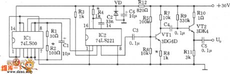
Published:2011/4/13 2:12:00 Author:Ecco | Keyword: Simple , pulse signal generator
The simple pulse generator circuit is shown as the chart. The pulse generator mainly adopts two TTL signal generator IC (74LS00 and 74LS221) to generte the τ = 4μs pulse signal, it uses fewer components, so it's easy to do debugging and maintenance.
(View)
View full Circuit Diagram | Comments | Reading(2201)
Published:2011/4/12 22:58:00 Author:Ecco | Keyword: Duplex pulse generator
In the design of digital circuit, sometimes it requires a group of two-phase pulse signal. Figure shows the duplex pulse generator composed of CD4013. (A) is schematic; (b) the waveform chart.
(View)
View full Circuit Diagram | Comments | Reading(4472)
Published:2011/4/8 4:43:00 Author:Ecco | Keyword: Single pulse generator
View full Circuit Diagram | Comments | Reading(961)
Published:2011/4/8 4:41:00 Author:Ecco | Keyword: Simple adjustable , duty cycle , pulse generator
The pulse generator shown in the chartis composed of CMOS circuit and D trigger
(View)
View full Circuit Diagram | Comments | Reading(820)
Published:2011/4/8 3:02:00 Author:Ecco | Keyword: Zero-symmetric , bi-directional , pulse generator
View full Circuit Diagram | Comments | Reading(691)
Published:2011/4/8 4:46:00 Author:Ecco | Keyword: Gate pulse generator , 555
View full Circuit Diagram | Comments | Reading(906)
| Pages:2/3 123 |
Response in 12 hours
© 2008-2012 SeekIC.com Corp.All Rights Reserved.