PinoutSpecifications Symbol Parameter Value Units VCC Supply Voltage -0.5 to +7.0 V VI DC Input Voltage -0.5 to +7.0 V VO DC Output Voltage (see note 2) -0.5 to VCC + 0.5 V IIK DC Input Diode Current -20 mA IOK ...
74V2GU04: PinoutSpecifications Symbol Parameter Value Units VCC Supply Voltage -0.5 to +7.0 V VI DC Input Voltage -0.5 to +7.0 V VO DC Output Voltage (...
SeekIC Buyer Protection PLUS - newly updated for 2013!
268 Transactions
All payment methods are secure and covered by SeekIC Buyer Protection PLUS.

|
Symbol |
Parameter |
Value |
Units |
|
VCC |
Supply Voltage |
-0.5 to +7.0 |
V |
|
VI |
DC Input Voltage |
-0.5 to +7.0 |
V |
|
VO |
DC Output Voltage (see note 2) |
-0.5 to VCC + 0.5 |
V |
|
IIK |
DC Input Diode Current |
- 20 |
mA |
|
IOK |
DC Output Diode Current |
- 20 |
mA |
|
IO |
DC Output Current |
± 25 |
mA |
|
ICC or IGND |
DC VCC or Ground Current |
± 50 |
mA |
|
Tstg |
Storage Temperature |
-65 to +150 |
°C |
|
TL |
Lead Temperature (10 sec) |
260 |
°C |
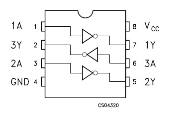
The 74V2GU04 is an advanced high-speed CMOS TRIPLE INVERTER (SINGLE STAGE) fabricated with sub-micron silicon gate and double-layer metal wiring C2MOS technology.
The internal circuit is composed of a single stages inverter, then an unbuffered output.
It can be used in analog application such a crystal oscillator.
Power down protection of the 74V2GU04 is provided on input and 0 to 7V can be accepted on input with no regard to the supply voltage. This device can be used to interface 5V to 3V.