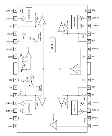
Features: 4-channel BTL driver on a HSOP 28-pin power package, allowing for application miniaturization. Gain is adjustable with an attached resistor. Internal thermal shutdown circuit with hysteresis capabilities. Internal 5V regulator. (required attached PNP transistor) Internal standard operati...
BA6197FP: Features: 4-channel BTL driver on a HSOP 28-pin power package, allowing for application miniaturization. Gain is adjustable with an attached resistor. Internal thermal shutdown circuit with hysteres...
SeekIC Buyer Protection PLUS - newly updated for 2013!
268 Transactions
All payment methods are secure and covered by SeekIC Buyer Protection PLUS.
4-channel BTL driver on a HSOP 28-pin power package, allowing for application miniaturization.
Gain is adjustable with an attached resistor.
Internal thermal shutdown circuit with hysteresis capabilities.
Internal 5V regulator. (required attached PNP transistor)
Internal standard operational amplifier.
Reset output pin.

| Parameter | Symbol | Limits | Unit |
| Power supply voltage | Vcc |
18 | V |
| Power dissipation | Pd |
1700*1 |
mW |
| Operating temperature | Topr | -35~+85 | |
| Storage temperature | Tstg | -55~+150 |
The BA6197FP, an IC for CD players, has a 4-channel BTL driver, 5V regulator (attached PNP transistor required), standard operational amplifier, and internal reset output linked to an internal thermal shutdown circuit. The driver has gain adjustment input pins for each channel, allowing gain to be set to the desired value. Also, the internal level shift circuit helps reduce the number of attached components.