Features: Linear drive system provides low switching noise.Constant supply voltage pin for hall devices.High ratio of output current against control current. (4000 Typ.)Available in compact surface-mount packages.Application VCR cylinder motorsPinoutSpecifications Parameter Symbol Limits U...
BA6825FS: Features: Linear drive system provides low switching noise.Constant supply voltage pin for hall devices.High ratio of output current against control current. (4000 Typ.)Available in compact surface-...
SeekIC Buyer Protection PLUS - newly updated for 2013!
268 Transactions
All payment methods are secure and covered by SeekIC Buyer Protection PLUS.
Linear drive system provides low switching noise.
Constant supply voltage pin for hall devices.
High ratio of output current against control current. (4000 Typ.)
Available in compact surface-mount packages.

| Parameter | Symbol | Limits | Unit | |
| Applid voltage | Vcc |
24 | V | |
| Power dissipation | BA6825FS | Pd | 1200*1 | mW |
| BA6826FS | 1000*2 | |||
| Operating temperature | Topr | -25~+75 | ||
| Storage temperature | Tstg | -55~+150 | ||
| Output current | IOMax | 1200*3 | mA | |
| Input current | IECIMax | 5 | mA | |
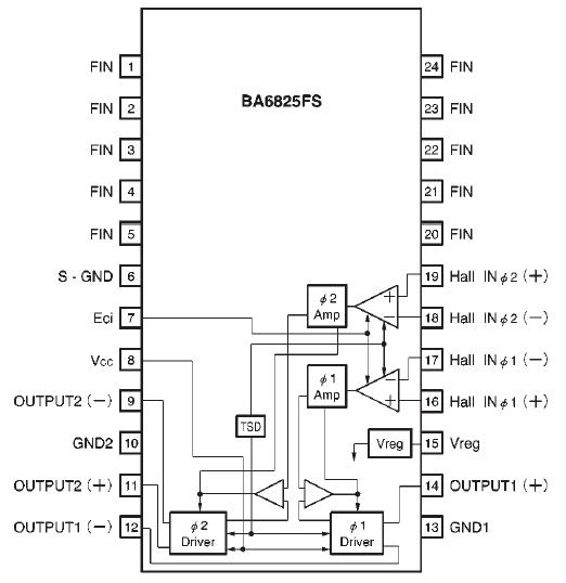
The BA6825FS and BA6826FS are direct-drive motor drivers suitable for 2-phase, full-wave linear motors. They consist of a Hall amplifier control circuit and driver circuits.