Features: The playback amplifier has a total gain of 59dB (Typ.), and has a low-noise preamplifier. Designed for VHS-band operation with low external parts count. The IC has 2 circuits for 2-head VCR applications. Two playback output systems (throgh output and AGC output). The AGC output level is ...
BA7182AS: Features: The playback amplifier has a total gain of 59dB (Typ.), and has a low-noise preamplifier. Designed for VHS-band operation with low external parts count. The IC has 2 circuits for 2-head VC...
SeekIC Buyer Protection PLUS - newly updated for 2013!
268 Transactions
All payment methods are secure and covered by SeekIC Buyer Protection PLUS.
The playback amplifier has a total gain of 59dB (Typ.), and has a low-noise preamplifier. Designed for VHS-band operation with low external parts count. The IC has 2 circuits for 2-head VCR applications.
Two playback output systems (throgh output and AGC output). The AGC output level is 270mVP-P (Typ.) ; suitable for FM brightness signal output.
Auto-tracking interface for automated tracking adjustment. An integrate and hold detector is used to reduce the load on the microcontroller.
The recording amplifier uses constant-current BLT drive that handles load variations (i.e. headimpedance) well, and gives stable recording characteristics. A single circuit is provided for 2-head VCR use.
Built-in recording level AGC means adjustment of FM recording current is not necessary.
Head switches for 2-channel PRE / REC system provided.
Operates off a single 5V power supply, with low power dissipation.

| Parameter | Symbol | Limits | Unit |
| Applied voltage | Vcc |
7.0 | V |
| Power dissipation | Pd | 1100* | mW |
| Operating temperature | Topr | -20~+75 | |
| Storage temperature | Tstg | -55~+125 |
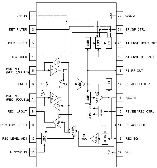
The BA7182AS is a PRE / REC amplifier developed for use in video cassette recorders. It has been designed for use in two-head decks and features built-in FB damping, two preamplifiers, a chroma output amplifier, an FM output amplifier (with AGC), an envelope detector, a constant-current BTL-drive REC amplifier (with AGC) and built-in channel and REC / PB switches on a single monolithic IC.