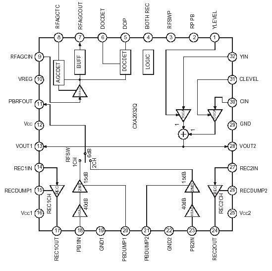
Features: • Supports EVR control for recording Y/low-band recording level• Feedback damping circuit provided in the recording amplifier Playback system• Feedback damping circuit provided in the playback amplifier facilitates printed circuit board design• RFAGC and dropout d...
CXA2032Q: Features: • Supports EVR control for recording Y/low-band recording level• Feedback damping circuit provided in the recording amplifier Playback system• Feedback damping circuit pr...
SeekIC Buyer Protection PLUS - newly updated for 2013!
268 Transactions
All payment methods are secure and covered by SeekIC Buyer Protection PLUS.

The CXA2032Q is a bipolar IC designed as recording/playback amplifiers for 8 mm VTRs.