Features: • High-speed signal processing supports XGA high refresh signal (dot clock to 100MHz)• Overall wide band response• Low output deviation by on-chip output offset cancel circuit• Small phase delay difference between inverted signal and non-inverted signal• On-...
CXA2112R: Features: • High-speed signal processing supports XGA high refresh signal (dot clock to 100MHz)• Overall wide band response• Low output deviation by on-chip output offset cancel ci...
SeekIC Buyer Protection PLUS - newly updated for 2013!
268 Transactions
All payment methods are secure and covered by SeekIC Buyer Protection PLUS.

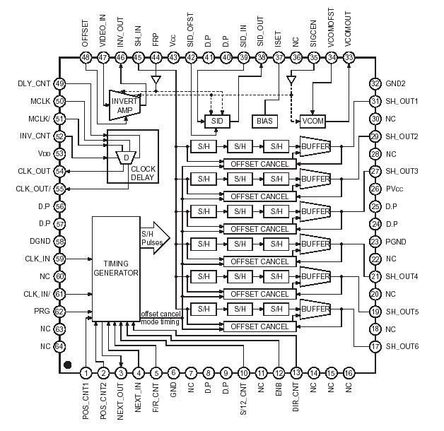
The CXA2112R is a driver IC developed for use in the 6-input/12-input Sony polysilicon TFT LCD panel (LCX016/017). It has a line invert amplifier and analog de-multiplexers, timing generator and output buffers required for these. CXA2112R can directlydrive analog inputs of LCX016/017. It is used one IC with the LCX016, and two ICs with the LCX017. The VCOM setting circuit and pre-charge pulse waveform generator are also on-chip.