Features: • Color LCD panels LCX005BK/BKB and LCX009AK/AKB driver• Supports NTSC and PAL systems• Supports 16:9 wide display• Supports composite inputs, Y/C inputs and Y/color difference inputs• Serial interface circuit• Electronic attenuators (D/A converter)...
CXA2503AR: Features: • Color LCD panels LCX005BK/BKB and LCX009AK/AKB driver• Supports NTSC and PAL systems• Supports 16:9 wide display• Supports composite inputs, Y/C inputs and Y/colo...
SeekIC Buyer Protection PLUS - newly updated for 2013!
268 Transactions
All payment methods are secure and covered by SeekIC Buyer Protection PLUS.

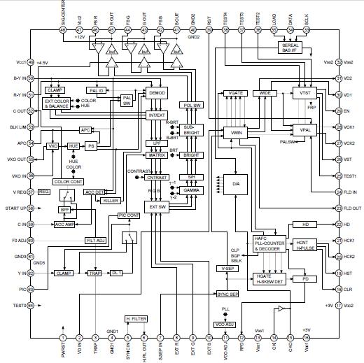
The CXA2503AR is an IC designed exclusively to drive color LCD panels LCX005BK/BKB and LCX009AK/AKB.
This IC greatly reduces the number of circuits and parts required to drive LCD panels by incorporating RGB decoder functions for video signals, driver functions, and a timing generator for driving panels onto a single chip.
This chip CXA2503AR has a built-in serial interface circuit and electronic attenuators which allow various mode settings and adjustments to be performed through direct control from an external microcomputer, etc.