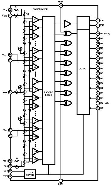
Features: • Differential Linearity Error . . . . . . . . . .±0.5 LSB or Less• Integral Linearity Error. . . . . . . . . . . . . .±0.7 LSB or Less• Built-In Integral Linearity Compensation Circuit• Ultra High Speed Operation with Maximum Conversion Rate of 500 MSPS (Min)R...
HI1276Y: Features: • Differential Linearity Error . . . . . . . . . .±0.5 LSB or Less• Integral Linearity Error. . . . . . . . . . . . . .±0.7 LSB or Less• Built-In Integral Linearity Compe...
SeekIC Buyer Protection PLUS - newly updated for 2013!
268 Transactions
All payment methods are secure and covered by SeekIC Buyer Protection PLUS.
US $.07 - .11 / Piece
EMI Filter Beads, Chokes & Arrays 80ohms 100MHz 3A Monolithic 1206 SMD
US $.05 - .1 / Piece
EMI Filter Beads, Chokes & Arrays 120ohms 100MHz 4A Monolithic 1206 SMD
