Clock Drivers & Distribution 5V ECL 1:4 Clock
MC100EL15D: Clock Drivers & Distribution 5V ECL 1:4 Clock
SeekIC Buyer Protection PLUS - newly updated for 2013!
268 Transactions
All payment methods are secure and covered by SeekIC Buyer Protection PLUS.
US $4.26 - 6.3 / Piece
Counter Shift Registers 5V ECL 8-Bit Binary Up Synchronous
| Output Logic Level : | ECL | Supply Voltage - Max : | +/- 5.7 V | ||
| Supply Voltage - Min : | +/- 4.2 V | Maximum Operating Temperature : | + 85 C | ||
| Package / Case : | SOIC-16 | Packaging : | Tube |

| Symbol |
Characteristic |
Rating |
Unit |
| VEE | Power Supply (VCC= 0V) | 8.0 to 0 |
VDC |
| VI |
Input Voltag (VCC= 0V) |
0 to 6.0 |
VDC |
| IOUT | Output CurrentContinuous Surge |
50 100 |
mA |
| TA | Operating Temperature Range |
40 to +85 |
°C |
| VEE | Operating Range |
5.7 to 4.2 |
V |
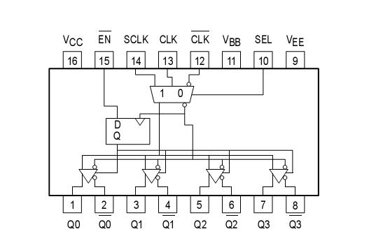
The MC100EL15D is a low skew 1:4 clock distribution chip designed explicitly for low skew clock distribution applications. The device can be driven by either a differential or single-ended ECL or, if positive power supplies are used, PECL input signal. If a single-ended input is to be used the V output should be connected to theCLK input VBBand bypassed to ground via a 0.01F capacitor. The VBB output is designed to act as the switching reference for the input of the EL15 under single-ended input conditions, as a result this pin can only source/sink up
to 0.5mA of current.
The MC100EL15D features a multiplexed clock input to allow for the distribution of a lower speed scan or test clock along with the high speed system clock. When LOW (or left open and pulled LOW by the input pulldown resistor) the SEL pin will select the differential clock input.
The common enable (EN ) is synchronous so that the outputs will only be enabled/disabled when they are already in the LOW state. This avoids any chance of generating a runt clock pulse when the device is enabled/disabled as can happen with an asynchronous control. The internal flip flop is clocked on the falling edge of the input clock, therefore all associated specification limits are referenced to the negative edge of the clock input.
| Technical/Catalog Information | MC100EL15D |
| Vendor | ON Semiconductor |
| Category | Integrated Circuits (ICs) |
| Type | Clock Distribution |
| Voltage - Supply | 4.2 V ~ 5.7 V |
| Number of Outputs | 4 |
| Input | ECL |
| Output | ECL |
| Frequency-Max | 1.25GHz |
| Package / Case | 16-SOIC (3.9mm Width) |
| Packaging | Tube |
| Operating Temperature | -40°C ~ 85°C |
| Lead Free Status | Contains Lead |
| RoHS Status | RoHS Non-Compliant |
| Other Names | MC100EL15D MC100EL15D MC100EL15DOS ND MC100EL15DOSND MC100EL15DOS |