Features: MC13110A and MC13111A: Fully Programmable in all Power ModesMC13110B and MC13111B: MPU Clk Out and Second Local Oscillator are Always On . There is No Inactive ModeDual Conversion FM ReceiverComplete Dual Conversion Receiver Antenna Input to Audio Out 80 MHz Maximum Carrier FrequencyRS...
MC13110A/B: Features: MC13110A and MC13111A: Fully Programmable in all Power ModesMC13110B and MC13111B: MPU Clk Out and Second Local Oscillator are Always On . There is No Inactive ModeDual Conversion FM Rece...
SeekIC Buyer Protection PLUS - newly updated for 2013!
268 Transactions
All payment methods are secure and covered by SeekIC Buyer Protection PLUS.

| Characteristic | Symbol | Value | Unit |
| Power Supply Voltage | VCC | 0.5 to+6.0 | Vdc |
| Junction Temperature | TJ | 65 to +150 | °C |
| Maximum Power Dissipation, TA = 25°C | PD | 70 | mW |
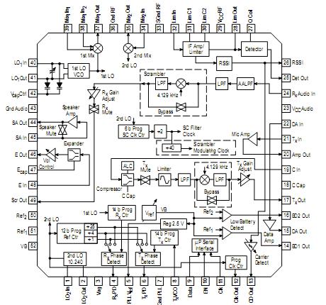
The MC13110A/B and MC13111A/B integrates several of the functions required for a cordless telephone into a single integrated circuit. This significantly reduces component count, board space requirements, external adjustments, and lowers overall costs. MC13110A/B and MC13111A/B are designed for use in both the handset and the base.